Verwendung und Varianten
Mit der Schaltuhr kann man die aktiven Zeiten für normalen/reduzierten Betrieb sowie für die Brauchwassererwärmung
programmieren. Sie sitzt in der Frontplatte, aufgesteckt auf die dahinterliegende Regelbox.
Die Schaltuhr ist nicht die Regelung der Heizung (das macht die
Regelbox).
Viessmann hat während der Angebotszeit der Trimatik-Regelungen unterschiedliche Typen/Evolutionen von Schaltuhren eingesetzt
(mechanische Varianten mal ignoriert). Einziger markanter optischer Unterschied ist der später hinzugekommene 4te Taster mit
dem Fragezeichen-Symbol. Der Wechsel scheint um 1990 stattgefunden zu haben.
Das folgende Bild zeigt die beiden Designs im Vergleich:
Links alt (9509 259), rechts neu (9519 249):
Eine Anleitung für die 9506 259 (alt) findet sich z.B. im Dokument
5129088VBA00001_1.pdf für die Trimatik-MC 7450 261-A.
Eine Anleitung für die 9519 249 (neu) findet sich z.B. im Dokument
5581083VBA00001_1.pdf für die Trimatik-MC 7450 263.
Die neueste/letzte Variante hat die Ersatzteilnummer 7815 581 und ist scheinbar identisch mit
Bauteilnummer 9519 249. Sie ersetzt alle bisherigen Ausführungen (alt und neu: 9506 511, 9509 259, 9509 978,
9519 249) und ist rückwärts kompatibel. Die Funktionen der neueren Variante sind abhängig davon mit welcher Regelbox sie kombiniert wird.
Eine passende
Anleitung 5481218VMA00001_1.pdf ist im Viessmann-Forum zu finden.
Zum Ausbauen wird die Uhr rechts und links mit zwei Schraubenzieher herausgehebelt.
Schaltuhr 9519 249 / 7815 581
Diese Uhr hat 2 physikalische Kanäle ("A"=[3] und "B"=[6]) und unterstützt bis zu 4 Schaltzeiten pro Kanal und 4
(digitale) Schaltkanäle. Der Kontakt [2] (SEL) dient vermutlich zur Erkennung und automatischen Konfiguration.
Mit dem Übergang auf das neue Design wurde der Gold-Cap-Buffer durch eine Lithium-Batterie ersetzt.
Durch Druck auf den Taster "?" und Drehen des Knopfs und können die aktuellen Temperaturen der Regelung
abgefragt werden.
| Ziffer | 1 | 2 | 3 | 4 | 5 | 6 | 7 | 8 | 9 |
|---|---|---|---|---|---|---|---|---|---|
| Sensor | Aussen | Vorlauf | Kessel | ? | Speicher | ? | Raum | ? | ? |
Die Kanäle A und B (Pins [3] und [6]) werden für eine serielle Kommunikation mit der Regelbox benutzt. Das serielle Format ist:
1200 Baud, 8 Datenbits, 1 Stoppbit, Odd-Parity.
Vielen Dank an Christian E. für das Teilen seiner Untersuchungen und die Analyse der Protokolle! Seine Ergebnisse sind Teil seines TrimatikLogger GitHub-Projekts.
Die Uhr ist damit in der Lage die aktuellen internen Temperaturmesswerte und Zustandswerte der Regelbox anzuzeigen. Die Regelbox muss aber dazu passend sein (z.B. 7408 217, 7408 421 oder 7814 549). Bei älteren, nicht dafür ausgelegten Regelboxen fällt die Uhr zurück auf das klassische, simple Schalten.
Die Zeitsignale "A" (Pin[3], obere Kurve) und "B" (Pin[4], untere Kurve) in unterschiedlichen Zoom-Stufen:
Auf Kanal B sendet die Regelbox ihre Anfragen an die Uhr. Zusätzlich überträgt sie ihre Zustandsdaten (Relaiszustände, Temperaturwerte, Fehlerzustände, etc) die von der Uhr ohne Antwort übernommen werden.
Auf Kanal A sendet die Uhr ihre Antworten zurück an die Regelbox.
Die Übertragungen erfolgen zyklisch alle 3,4 Sekunden. Eine typische Sequenz sieht so aus:
| Kanal A | 00 | 00 | |||||
|---|---|---|---|---|---|---|---|
| Kanal B | 0F7F | 0F45 | 1F2F00 | 1F3A13 | 1F2500 |
Die Befehle auf Kanal B im Detail (soweit bekannt):
- 0F 7F: Abfrage auf "Datumswechsel"(?). Die Uhr antwortet üblicherweise mit 00
- 0F 45: Abfrage der aktiven Kanäle der Schaltuhr. Antwort 00 wenn alle Kanäle deaktiviert sind.
Jeder aktivierte digitale Kanal wird durch 2 gleichzeitig gesetzte Bits signalisiert. Die folgende Kompilation zeigt die Bitmuster wenn die Kanäle einzeln durchgeschaltet werden. Im letzten Bild der Sequenz sind alle Kanäle aktiviert.
- 1F 2F 00: Übermittlung des Fehlerstatus. Im Fehlerfall wird 3F 2F xy gesendet und von der Uhr angezeigt
- 1F 3A xy: Wert der aktuell im Display angezeigt werden soll, im Normalfall die Kesseltemperatur
- 1F Index xy: Übermittlung der aktuellen Temperaturen und Zustandswerte der Relais.
"Index" ändert sich mit jedem Datenpaket und durchläuft zyklisch die folgenden 7 Werte:
Index Wert 25 Relaiszustände 26 ? 31 Aussentemperatur 32 Vorlauftemperatur 33 Kesseltemperatur 34 ? 35 Speichertemperatur
Der Wert bei Indexnummer 25 enthält den Status der Relais in Bit-kodierter Form:Bit Funktion 0 Brenner 1 ? 2 Speicherpumpe 3 Zirkulationspumpe 4 Mischer ZU 5 Mischer AUF 6 Heizkreispumpe A 7 Heizkreispumpe B
Nach 7 Durchläufen sind alle Indexe durchlaufen und alle Informationen übertragen und der Zyklus wiederholt sich. Jede Einzelübertragungen (14 Bytes) benötigt 3,4s. Das komplette Informationspaket benötigt ca. 23,8 Sekunden.
Die Temperaturen für Kessel, Vorlauf und Speicher werden als Hex im Bereich 00hex .. FFhex dargestellt und entsprechen den Temperaturen 0°C .. 127°C. Die Umrechnung ist eine simple Division durch 2, Auflösung 0,5°. Negative Werte sind nicht vorgesehen.
Die Hex-Werte für die Aussentemperatur werden als Zweierkomplement im Bereich 80hex .. 7Fhex dargestellt und entsprechen dem Bereich -32°C .. +32°C. Die Umrechnung ist eine Division durch 4, Auflösung 0,25°.
Kanäle
Abweichend zu den älteren Varianten hat diese Version 4 logische Schaltkanäle. Damit wird die frühere
Verkettung der Trinkwassererwärmung mit dem Heizkreis aufgelösst und die jeweiligen Schaltzeiten können
unabhängig gesetzt werden. Eine Erläuterung findet sich z.B. in der
Betriebsanleitung für die Trimatik-MC 7450 263 5581083VBA00001_1.pdf
oder in der
Montageanleitung Digitale Schaltuhr, neue Version, 5481218VMA00001_1.PDF.
Die Schaltfunktionen werden digital übertragen und können nur im Zusammenspiel mit der passenden Regelbox voll
ausgenutzt werden. Mit älteren Regelboxen ist das nicht möglich und die Uhr emuliert die alte Methode mit 2 Kanälen
per Transistor-Schalter (A und B, siehe weiter unten).
Codierungen
Diese Schaltuhren können nicht "codiert" werden. Nur die Details der Sommer-/Winterzeitumschaltung können verändert
werden. Es gibt aber keine Möglichkeit die Einstellungen der Regelung
zu verändern. Das ist nur über die Schalter und Drehregler oder direkt an der Regelbox möglich.
Die Prinzip der Codierungen wurde erst in späteren Viessmann-Regelungen
umfassend eingesetzt. Regelbox und Schaltuhr wurden in die Hauptleiterplatte integriert, das Uhren-Interface wurde (optisch)
beibehalten. Die Codiermöglichkeiten wurden massiv eingesetzt um die Regelung zu parametrisieren. Das trifft aber nicht auf
die hier besprochenen älteren Trimatik-MC Baureihen zu.
Schaltuhr 9509 259
Bezeichnung: Viessmann 9509 259, M III-E
Diese Schaltuhr hat 2 Kanäle und jeder Wochentag kann individuell mit jeweils 2 Schaltzeiten belegt werden.
Der Default ist überall 06:00 - 22:00.
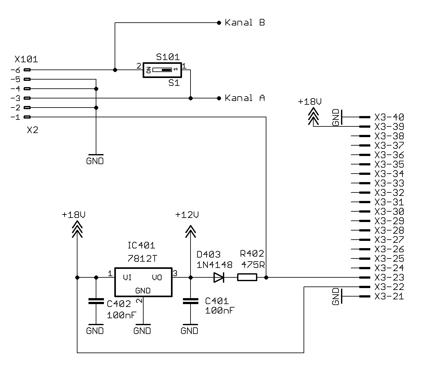
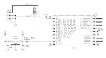
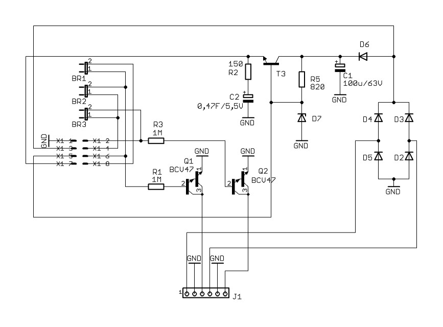
Auf der Rückseite sind 7 Steckkontakte. Über den Kontakt 1 wird die Uhr mit Spannung versorgt. Die GND-Anschlüsse
sind miteinander verbunden. Die Signale A und B werden von der Regelbox ausgewertet (Open-Kollektor Ausgänge).
Die Uhr ist für eine Stromversorgung mit 7V-AC an den Pins [1] und [4] ausgelegt (ist für diese Applikation völlig
überflüssig). Die Spannung läuft durch einen Brückengleichrichter mit Elko (100uF/63V) und wird auf 5V geregelt.
Zum Testen kann man sie problemlos mit z.B. einem 7V-DC Labornetzteil in Betrieb nehmen, die Polarität ist beliebig.
Auf der Stecker-Gegenseite (X101, in der Regelbox, Bild ganz rechts), sitzt die Spannungsversorgung. Sie wird vom
12V-Regler abgeleitet und hat eine Diode und einen 475 Ohm Widerstand (zur Strombegrenzung?) in Reihe.
Diese Ausführung der Schaltuhr hat keine Batterie als Buffer sondern einen grossen "Super-Cap" (NEC, 0.47F, 5.5V).
Der sorgt für eine Gangreserve von ca 12 Stunden. Nach dieser Zeit vergisst die Uhr alle bisherigen Programmierungen
und blinkt nur noch dumm rum. Die folgende Sequenz initialisiert sie neu auf die Default-Einstellungen:
- "CL" (Clear) kurz drücken, alle Daten werden gelöscht
- "WT" (Wochentag) gedrückt halten und den Pfeil mit dem Drehrad auf den aktuellen Wochentag einstellen, 1 = Montag
- "UHR" gedrückt halten und mit dem Drehrad die aktuelle Zeit einstellen
In vielen "Anleitungen" wird bei Problemen empfohlen die Batterie auszutauschen. Diese Ausführung der Uhr hat aber keine Batterie. Der Super-Cap könnte theoretisch defekt sein, aber wenn die Uhr nichts mehr anzeigt dann deutet das eher auf ein generelles Problem der Stromversorgung hin. Oder auf das folgende Kontaktproblem.
Bei meiner Schaltuhr gab es massive Probleme mit dem Einstell-Rädchen. Ein Blick auf die Kontaktflächen auf der Platine zeigte direkt die Ursache (die Uhr ist sehr einfach zu zerlegen). Die Silberbeschichtung war massiv angelaufen.
Eine vorsichtige Reinigung mit einem Silberputztuch beseitigte alle Kontaktprobleme. Auch die Kontaktflächen für das Display und die Taster wurden direkt mit behandelt. Als netter Nebeneffekt sind jetzt auch alle Segemente im Display wieder erkennbar und deutlich kontrastreicher.
Schaltsignale
Ein Kanal ist logisch AKTIV wenn am Ausgang (A oder B) ein Spannungspegel von 5V anliegt.
In diesem Zustand ist der zugehörige Ausgangstransistor in der Schaltuhr passiv und wird NICHT angesteuert.
Der 5V-Pegel auf den Ausgangsleitungen wird durch Pull-Up Widerstände in der Regelbox erzeugt. Die Schaltuhr
kann die Kanäle nur auf Masse ziehen und sie dadurch deaktivieren. Auf diese Weise sind selbst bei fehlender
Schaltuhr immer beide Kanäle aktiv und die Heizung arbeitet normal.
An den Ausgängen A und B liegen gepulste Signale an. Diese Pulse sind die Zeiten in denen der Prozessor die
Pegel auf den Leitungen überprüft und dazu die Pull-Up Widerstände aktiviert. Diese Sequenzen werden nicht von
der Schaltuhr erzeugt, die Transistoren werden statisch angesteuert.
- Pegel: 5V
- Breite: 10ms
- Wiederholrate: 532ms
- Paketlänge: 17,70s
- Signalpause: 2,3s
Konfiguration der Ausgänge
Auf der Rückseite der Schaltuhr befinden sich 3 konfigurierbare Drahtbrücken. Ihre Kodierung definiert die Zuordnung
der 4 Schaltzeiten zu den Ausgängen A und B. Im
Schaltplan
kann man erkennen wo die Brücken sitzen und wie die Ausgänge miteinander verschaltet werden.
In Normalzustand ist die Konfiguration Zu-Auf-Zu eingestellt (rechts oben in der Übersicht).
Die Zuordnung der Schaltkanäle hängt davon ab ein "Heizkreis B mit Mischer" vorhanden ist oder nicht. Dies wird
in der Regelbox durch den Dip-Schalter S1.8 konfiguriert (1=ON=oben="nicht vorhanden"; 2=OFF=unten="Mischer vorhanden").
| Schalter S1.8 | Mischer | Kanal A (SU1) | Kanal B (SU2) |
|---|---|---|---|
| ON | Nein | Heizkreis A, Heizung | Heizkreis B, Warmwasser |
| OFF | Ja | Heizkreis A, Warmwasser, | Heizkreis B, Heizung |
Wenn ein "Heizkreis B mit Mischer" vorhanden ist dann ist immer zeitgleich auch die Trinkwassererwärmung aktiv. Der Zeitraum für Warmwasser (SU1) kann nicht kleiner als die Heiz-Zeit (SU2) gewählt werden. (Das geht nur mit der Kombi aus 9519 249 + 7814 549, siehe oben).
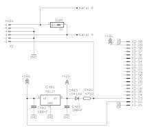
Stromversorgung verstärken für Erweiterungen
Die Schaltuhr ist sehr universell für eine 7V-AC-Versorgung ausgelegt. Sie wird von der Regelbox aus einem
12V-Spannungsregler versorgt. Diese Quelle wäre auch sehr praktisch für Bastel-Erweiterungen die man dann bequem
in die Schaltuhr einbauen könnte. Allerdings ist der Innenwiderstand (zur Strombegrenzung) sehr hoch ausgelegt
und reicht gerade so für den paar-mA Bedarf der Schaltuhr.
Das linke Bild zeigt den relevanten Teil des Schaltplans der Regelbox. Oben links sind die 6 Kontaktzungen
dargestellt die den Kontakt zur Schaltuhr herstellen. Links unten sitzt der 12V-Spannungsregler der (nur) die
Uhr versorgt. Widerstand R420 (475R, Strombegrenzung) und Diode D403 (Verpolschutz) sitzen in Reihe in der
Versorgungsleitung (Kontaktzunge [1]).
Wenn man den 475R-Widerstand überbrückt dann sollten einige 10 .. 100mA zusätzliche Stromentnahme überhaupt kein
Problem sein. Die Diode stört nicht und kann als Verpolschutz beibehalten werden. Der 7812 ist in der Lage bis
zu 1A zu liefern. Er wird vom 18V-Regler auf der Hauptplatine versorgt (LM317T), der ebenfalls locker 1A liefern
kann.
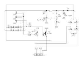
Die Lage der beiden Bauteile auf der Platine hängt von der Teilenummer der Regelbox ab. Im rechten Bild sind die
Positionen für 2 unterschiedliche Regelbox-Varianten angegeben.
Sonstige vorherige Varianten
Das Bild zeigt die typische Front der älteren Vorgängerversionen ohne den "?"-Taster.
Die Teilenummern sind 9506 511, 9509 259 und 9509 978 (die Liste ist möglicherweise nicht vollständig).
Eine passende Anleitung ist bei Viessmann im
ViBooks-Bereich mit dem Suchbegriff "5128053" zu finden.
Diese Uhren hatten 1 oder 2 Schaltausgänge und keine digitale Schnittstelle.
Verwendungslisten
Entsprechend den aktuellen Listen wurde die Schaltuhr-Version 9509 259 (alt) in den folgenden Regelungen verwendet:
| Teilenummer | Bezeichung |
|---|---|
| 7408 049 | Trimatik-MC Stadtgas A/D |
| 7408 050 | Trimatik-P Stadtgas A/D |
| 7408 078 | Trimatik-MC für BRA |
| 7408 107 | Trimatik-MC |
| 7412 061 | Trimatik-P |
| 7412 065 | Trimatik-MC IT |
| 7450 230 | Minomatik |
| 7450 240 | Trimatik-P |
| 7450 241 | Trimatik-P |
| 7450 250 | Diomatik |
| 7450 260 | Trimatik-MC Front hellgrau |
| 7450 261 | Trimatik-MC |
| 7450 262 | Trimatik-MC kurze Leitungen |
| 7452 240 | Trimatik-P |
| 7452 260 | Viessmann Trimatik-MC |
| 7457 261 | Trimatik-MC GB |
Hier die entsprechende Liste für die Schaltuhr-Version 7815 581 (neu):
| Teilenummer | Bezeichung |
|---|---|
| 7408 049 | Trimatik-MC Stadtgas A/D |
| 7408 050 | Trimatik-P Stadtgas A/D |
| 7408 078 | Trimatik-MC für BRA |
| 7408 107 | Trimatik-MC |
| 7408 253 | Trimatik-MC/B Unit |
| 7410 065 | Trimatik-MC Front anth. |
| 7410 068 | Trimatik-2 |
| 7410 160 | Trimatik-2 |
| 7410 368 | Trimatik-2 |
| 7410 968 | Trimatik-2 |
| 7412 061 | Trimatik-P |
| 7412 065 | Trimatik-MC IT |
| 7412 068 | Trimatik-2 |
| 7412 160 | Trimatik-2 |
| 7450 230 | Minomatik |
| 7450 231 | Duomatik-FL |
| 7450 240 | Trimatik-P |
| 7450 241 | Trimatik-P |
| 7450 250 | Diomatik |
| 7450 260 | Trimatik-MC Front hellgrau |
| 7450 261 | Trimatik-MC |
| 7450 262 | Trimatik-MC kurze Leitungen |
| 7450 263 | Trimatik-MC |
| 7450 331 | Duomatik-FL/B |
| 7450 361 | Trimatik-MC/B |
| 7450 362 | Trimatik-MC/B2 |
| 7452 240 | Trimatik-P |
| 7452 260 | Viessmann Trimatik-MC |
| 7457 261 | Trimatik-MC GB |
Links und Hinweise
Betriebsanleitung Digital-Mikrocomputer-Schaltuhr, alte Version Dokument 5128053VBA00001_1.pdf.
Montageanleitung Digitale Schaltuhr, neue Version, Dokument 5481218VMA00001_1.PDF
Bedienungsanleitung Digitale Schaltuhr 9519 249, Dokument-Nr: 5581 123 von 6/98
Betriebsanleitung Trimatik-MC 7450_263, Dokument-Name: 5581083VBA00001_1.pdf
Schaltuhr Erklärungen in der Anleitung der Duomatik-FL/_B, Dokument-Name: 5581124VBA00001_1.PDF
Schaltuhr Erklärungen in der Anleitung der Anleitung Duomatik-FL, Dokument-Name: 5581082VBA00002_1.PDF