Christians Webseite        << zurueck        vor >>

Fernbedienung-MC

Viessmann hatte mal eine Fernbedienung-MC (7402 053-B) für die Trimatik-MC im Angebot. Sie bietet ähnliche Einstellmöglichkeiten wie die Schalter in der Frontplatte der Steuerung. Das Nachfolgemodell scheint die "Fernbedienung-F" (7450 025) gewesen zu sein.

(Die Nikotin-Patina gehörte nicht zum Lieferumfang..)
heizung heizung
heizung heizung

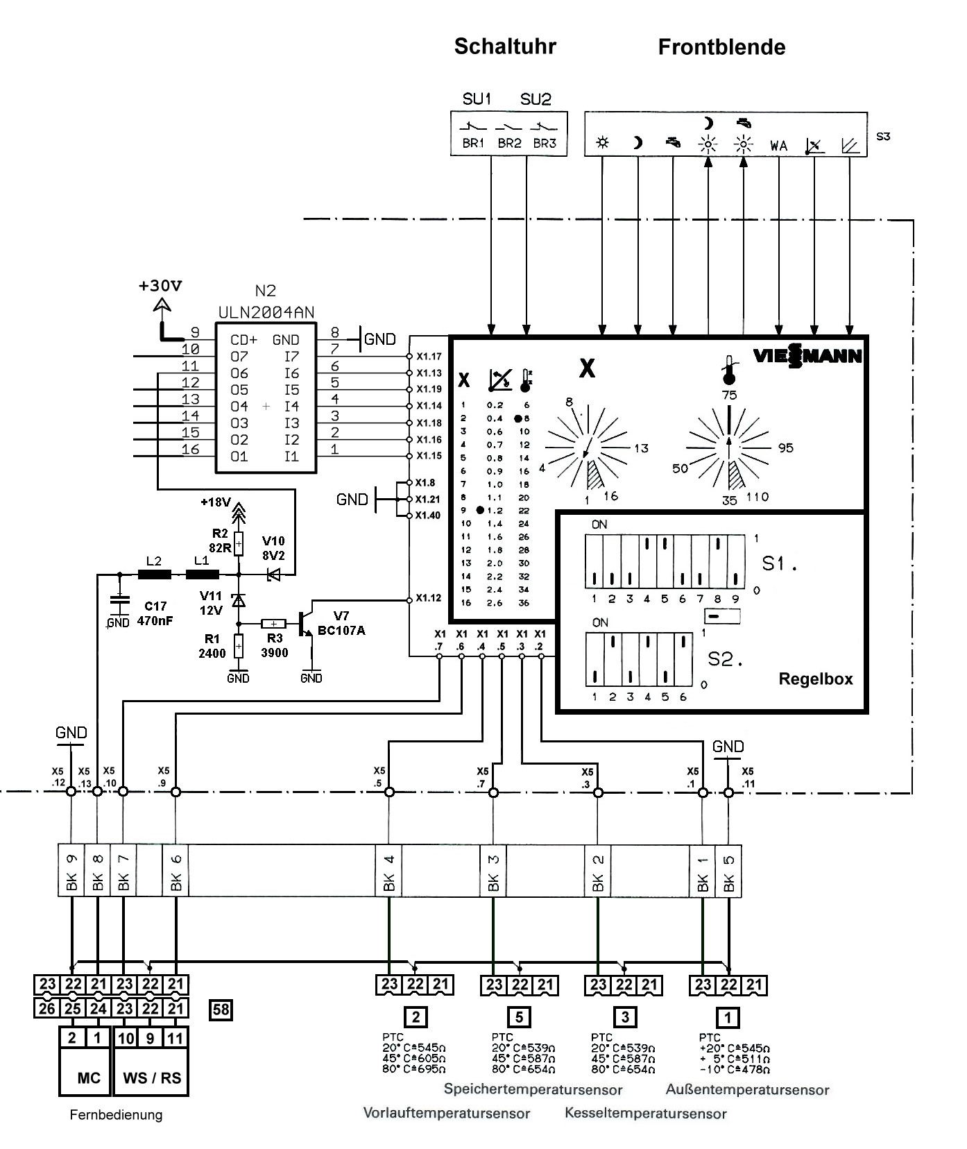
Die Fernbedienung wird über "Stecker 58" mit der Trimatik verbunden. Sie hat ein 2-Draht Bus-System und ein digitales Protokoll um mit der Trimatik (Regelbox) zu kommunizieren. Zur Unterscheidung, die alternativen Fernbedienungsmodelle "RS" und "WS" waren über analoge Kanäle angebunden. Der Stecker 58 bietet beide Optionen.
heizung heizung

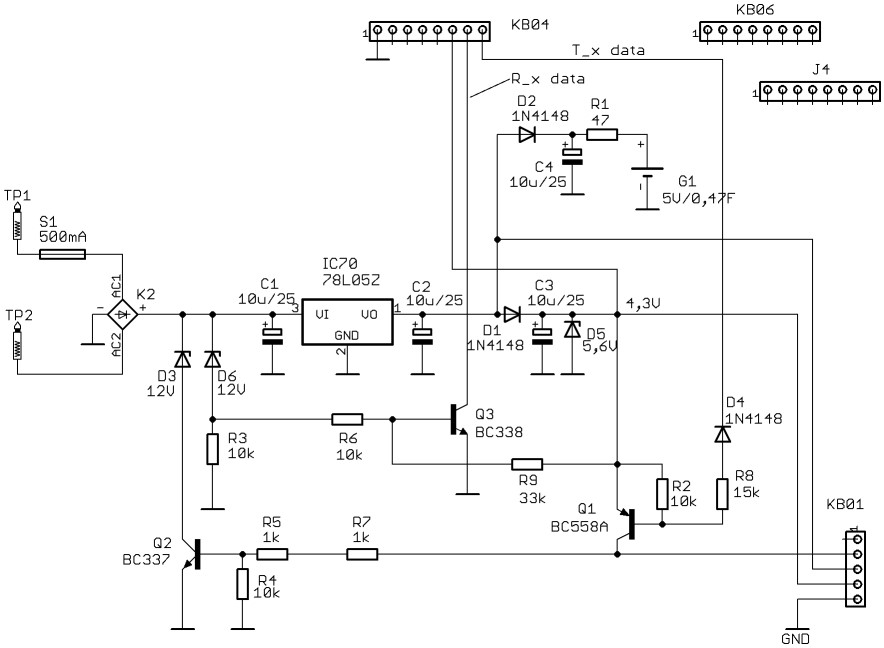
Die Busleitung 58[24] wird über R2 mit 18V versorgt (58[25] liegt auf Masse). Das Modulationssignal wird durch Absenken der Spannung auf 8..10V aufgeprägt (V10 und N2). Die Rx-Detektion erfolgt über V11 und V7.

Die Elektronik im Inneren besteht aus 3 Platinen. Auffällig ist der dicke SuperCap als Strom-Backup.
heizung heizung

Das Bus-Signal kommt über K2 (linker Bildrand) auf die Platine. Es durchläuft einen Brückengleichrichter (die Polung der Leitungen ist undefiniert) und liegt danach an den Pins von C75 (unbestückt, "+18V" und "GND"). Es folgt ein 5V-Regler (78L05), mit ein paar Sieb-Kondensatoren und einer Diode, der die ~5V Versorgungsspannung bereitstellt. Der SuperCap wird über 48 Ohm aus den 5V nachgeladen.

Die Modulation (Bezeichner "Tx" und "Rx") wird über Z-Dioden auf die 18V aufmoduliert (D3) bwz. detektiert (D6). Der untere Pegel liegt bei ca. 8..10V.
heizung heizung heizung

Die Dioden/Widerstands-Netzwerke in der rechten Platinenhälfte und auf der oberen Displayplatine, dekodieren die Hex-Drehschalter und die Gummitaster auf der Oberseite.

Die Satelliten-Platine am rechten Bildrand scheint eine ungenutzte Erweiterung zu sein. Möglicherweise ein diskreter ADC für den NTC der dort verbaut ist?
Am oberen rechten Rand sind die Leitungen zu den DIP-Schaltern in der Rückwand zu erkennen.

Kondensatoren tauschen und Drehschalter überholen

Mein Exemplar wurde gegen Ende der 80er Jahre gebaut. Ich habe deshalb zuerst einfach mal alle uralten Elkos gegen frische Exemplare getauscht. (Ich hatte keine axialen Typen mehr zur Hand, deshalb die komisch sitzenden radialen)

Die Kontakte der Drehschalter waren heftig oxidiert. Leider kann man sie nicht zum Reinigen zerlegen. Ich habe deshalb den Silberreiniger vorsichtig mit einem Pinsel unter die Kontakte gebracht, einwirken lassen und gut nachgespült.

Generell sind alle Teile ziemlich "knusprig", die Drähte brüchig und das Plastik bricht sehr gerne. Ich würde niemandem empfehlen eine so heruntergekommene Fernbedienung nochmal einzusetzen.

Digitale Daten

Das physikalische Schnittstelle ähnelt sehr dem KM-Bus. Auch dort werden 2 Zustände durch Änderung der Spannung aufmoduliert. Danach verschwinden die Gemeinsamkeit aber sofort.
Der binären Werte werden über das Verhältnis der low/high Zeiten kodiert. Ein Symbol hat eine Länge von 8ms. 6ms_low werden als "0" interpretiert, 2ms_low entsprechend als "1".

Die folgenden Bilder zeigen die digitalen Signale auf der Platine an den Punkten "Tx_data" (invertiert) und "Rx_data".
In den Rx-Daten der Fernbedienung (Farbe blau) sind auch ihre eigenen Tx-Daten sichtbar.
Verwendet wurde eine Regelbox 7403 690. Mit einer 7408 217 ergaben sich leicht veränderte Sequenzen.
heizung
heizung
heizung

Die Kommunikation besteht aus mehreren seriellen Datensequenzen die sich zyklisch im 70s-Raster wiederholen. Der Startpunkt (in diesem Beispiel willkürlich gewählt) liegt bei Zeitmarke 29 Sekunden. Die Regelbox sendet 18 Bit an die Fernbedienung:

-100010010000000011-

Eine weitere 18-Bit Sequenz folgt im Abstand von 24s (Zeitmarke 53s). Diese Sequenz fehlt bei der 7403 690:
-100110010000000001-

Das Bit-Pattern in beiden Sequenzen scheint statisch zu sein.

Danach folgt eine längere Sequenz (Zeitmarke 76s..78s) in der Trimatik (immer 18 Bits) und Fernbedienung (immer 9 Bits) abwechselnd senden:
Trimatik_0:      -000010010000000001- Anfrage zum Senden der Position des Wahlschalters
Fernbedienung_0: -001101100- Antwort der Fernbedienung
Trimatik_1:      -000000010000000011- Anfrage zum Senden der Positionen der Temperaturwahlschalter
Fernbedienung_1: -010111110- Antwort der Fernbedienung
Trimatik_2:      -000001010000000001- ?
Fernbedienung_2: -111111110- ?
Trimatik_3:      -011000000000000001- ?
Trimatik_4:      -010010001010000001- ?
Trimatik_5:      -010011000011010001- ?

Die Antwort der Fernbedienung besteht aus jeweils 8 Datenbits und einem Parity-Bit (even). Die Daten enthalten die Werte/Positionen der Drehschalter in der Frontplatte.
Fernbedienung_0: - Position des Wahlschalters (4 Bit "rot" + 4 Bit "blau"), Parity -
Fernbedienung_1: - Temperatur Tag (4 Bit), Temperatur Nacht (4 Bit), Parity -
Fernbedienung_2: - unbekannt, Parity -

Die Fernbedienung sendet zusätzlich alle 60s einen 700ms breiten Impuls. Diese Pulse scheinen nicht mit den Signalen der Trimatik korreliert zu sein, möglicherweise ein "keep-alive" Mechanismus. Die regelmässigen Impulsfolgen der Trimatik könnten den gleichen Zweck haben.

Die lange Hauptsequenz enthält in den Blöcken 4 und 5 auch einige Daten die von der Trimatik an die Fernbedienung gesendet werden. Dabei handelt es sich um die Werte der Aussentemperatur und der Brauchwassertemperatur. Beide Werte können am Bedienpanel angezeigt werden. Von den jeweils 18 Bit werden 7 Bit + 1 Bit Vorzeichen für die Temperaturwerte verwendet.

- Die ersten 8Bit sind unbekannt und konstant
- Es folgen 7Bit für den Temperaturwert, LSB zuerst. Der Wert der Aussentemperatur muss durch 2 dividiert werden und kann auch negativ werden. Der Wert der Brauchwassertemperatur wird direkt angegeben, negative Werte werden als 0 angezeigt.
- Das folgende Bit ist das Vorzeichen. Beim Brauchwasser sind nur positive Werte vorgesehen
- Es folgt ein Parity-Bit.
- Die Bedeutung des letzten Bit ist unbekannt.
Trimatik_4:      -01001000 1000100 1 1 1-
                  8Bit, unbekannt
                           7Bit (AussenTemp*2, LSB..MSB) = -8,5°C
                                   1Bit Vorzeichen
                                     1Bit Parity(even)
                                       1Bit, unbekannt
Trimatik_5:      -01001100 0011010 0 0 1-
                  8Bit, unbekannt
                           7Bit (BrauchwasserTemp, LSB..MSB) = +44°C
                                   1Bit Vorzeichen, immer 0
                                     1Bit Parity(odd)
                                       1Bit, unbekannt

Fernsteuerung

Eine der Motivationen zur Analyse der Fernbedienung war die Hoffnung über diesen Weg ein drahtlose Fernsteuerung realisieren zu können. Prinzipiell kann man die Anlage über diese Schnittstelle tatsächlich steuern. Allerdings sind die zurückgemeldeten Zustandsdaten sehr begrenzt. Neben den Temperaturwerten (Aussen und Brauchwasser) gibt es keinerlei Informationen über den Zustand der Anlage.