Regelbox
Das eigentliche "Gehirn" der Trimatik-Steuerung ist die Regelbox. Hier werden die
Temperatursensoren
und die Schalter der Frontplatte ausgewertet, die passende Heizkurve berechnet und entschieden welches
Relais angesteuert werden muss. Die Box sitzt versenkt in einem Schacht. In die
Kontakt-Slots auf der
Vorderseite wird die Schaltuhr
eingesteckt. Auf der Rückseite ist sie über den 40-poligen Steckverbinder "X1" mit der Grundleiterplatte verbunden.
Zum Ausbauen wird die Box am Klapp-Hebel herausgezogen.
Die existierenden Varianten habe ich willkürlich in 2 Gruppen aufgeteilt:
- Frühe Varianten: 7403 530, 7403 613, 7403 690, 7403 956, 7408 119
- Spätere Varianten: 7408 217, 7408 421, 7814 549
Die späteren Varianten unterstützen die neue hinzugekommene serielle Kommunikation mit der abgeänderten
Schaltuhr (9519 249 an Stelle von 9509 259). Das macht das Hinzufügen einer
Wlan-Schnittstelle besonders einfach.
Irgendwann gegen Ende der 2000er (?) wurde der Ersatzteilkatalog offensichtlich aufgeräumt und alle Varianten
durch die Nummer 7814 549 ersetzt. Leider gibt es dazu keine Dokumente. Die letzten Infos
die man findet betreffen den Vorgänger 7408 421, im Viessmann-Dokument
5481430VMA00001_1.pdf
im ViBooks-Bereich.
Eine Besonderheit sind die Boxen:
- 7408 209, 7408 427, 7814 550
Sie basieren auf der sog. Fuzzy-Logik
und kamen z.B. in der Duomatik-FL zum Einsatz. Diese Regelungsmethode benötigt keinen Aussentemperatursensor. Sie wertet
u.a. den zeitlichen Verlauf der Kesseltemperatur aus und lernt und adaptiert sich automatisch.
Beginnend mit den Nachfolgemodellen (z.B. Trimatik-MC/B, ca. 1993/94) wurde das Konzept der separaten Regelbox
aufgegeben und die Funktionalität auf/in die Hauptleiterplatte integriert.
Welche Box-Variante wann und in welcher Trimatik verbaut wurde ist rückblickend schwer zu sagen. Die existierenden
Verwendungslisten sind mehrdeutig und ohne zeitliche Zuordnung. In den Betriebsanleitungen der Anlagen
werden diese Details nie erwähnt. Man kann bestenfalls aus den Bildchen und Beschreibungen Rückschlüsse ableiten.
Es gibt keinerlei Berichte oder Hinweise über die Evolution der Varianten. Glücklicherweise aber auch
keinerlei Warnungen oder Einschränkungen beim gemischten Einsatz von Regelbox, Schaltuhr und
Trimatik-Version/Grundleiterplatte. Man hat dort offensichtlich die freie Wahl. Es ist aber stark davon auszugehen dass
es im Hintergrund Verbesserungen und Fehlerkorrekturen gegeben hat die zusammen mit den Funktionserweiterungen
eingeflossen sind. Die jeweils neueste Teilenummer zu verwenden ist daher nicht verkehrt und auch nicht schädlich.
In den folgenden Absätzen werden 3 Typen von Regelboxen beschrieben die ich gerade zur Hand habe:
- 7403 690, eine der frühen, einfachen Varianten
- 7403 956, eine weitere frühe Variante
- 7408 217, ein späteres Modell mit interner serieller Kommunikation
Details der Variante 7403 690
Die Gehäusehälften sind durch je 2 Plastik-Schnappies an den Seiten verrastet. Die 3 gestapelten Platinen sind durch ein
Flachbandkabel verbunden. Dieser Aufbau ist identisch in allen Varianten zu finden.
Im Inneren werkelt ein Intel 80C52 Prozessor.
Überraschenderweise hat dieser Prozessor eine serielle Schnittstelle die direkt nach aussen geführt ist und über X1
zum Steckverbinder X4 verläuft. Dort ist allerdings keine weitere Verbindung vorgesehen und die Signale enden blind.
Die Dokumentationen enthalten auch keine weiteren Hinweise über diesen Konnektor.
| Pin | Signal |
|---|---|
| X4[1] | TxD |
| X4[2] | RxD (fest auf GND gelegt) |
| X4[3] | GND |
| X4[4] | +5V |
Über die Schnittstelle wird alle 600ms ein Datenpaket gesendet. Format und Inhalt sind unbekannt. Die Daten scheinen statisch zu sein. Sie sind unabhängig von den Widerständen der Temperatursensoren und den Schaltzuständen der Relais.
Dieses Signal konnte ich nur auf einer 7403_690-Box entdecken (Herstellungsjahr 1989). Auf einer 7403_956-Box (Herstellungsjahr 1999) war das Signal nicht mehr vorhanden.
Ein weiteres serielles Signal ist am Steckverbinder X5[13] zu finden. Es ist einer der Pins für den Anschluss einer Fernbedienung. Es sind zwei Signalgruppen im Abstand von 680ms zu erkennen die sich alle 18 Sekunden wiederholen.
Die beiden Signal-Burst sehen sehr ähnlich aus (links: erste, rechts: zweite), sind aber nicht identisch.
Die Signale ändern sich sobald eine Fernbedienung verbunden und erkannt wird. Es folgt eine Kommunikation die im Kapitel Fernbedienung-MC genauer beschrieben wird.
Details der Variante 7403 956
Der innere und äussere Aufbau dieser Variante ist sehr ähnlich zur vorher beschriebenen 7403 690. Die
Steckverbinder und Einsteller haben ihre Positionen beibehalten.
Alle Platinen wurden überarbeitet. Die Änderungen auf der Prozessor-Platine sind minimal.
Auf den Interface-Platinen wurde deutlich mehr verändert. Es wurde aber scheinbar nur das Layout etwas aufgeräumt
ohne (deutlich sichtbare) Schaltungsänderungen.
Die einzige von Aussen deutlich erkennbare Abweichung ist die vorderste Leiterplatte mit den Dip-Schaltern. Der separate S104 ist
entfallen und in den 10er Block "gerutscht". Diese Brücke verbindet "Schaltausgang A" und "Schaltausgang B" der
Schaltuhr miteinander. Vermutlich war das mal eine Option für sehr alte Schaltuhren mit nur einen Schaltausgang.
Details der Variante 7408 217
Diese Variante ist vom Aufbau identisch mit der 7403 956.
Die neue hinzugekommene Fähigkeit zur seriellen Kommunikation wird auf der
Schaltuhr-Seite ausführlich erläutert. Das Auslesen der Zustandsdaten wird
dadurch drastisch vereinfacht und benötigt kein aufwändiges HW-Anzapf-Board.
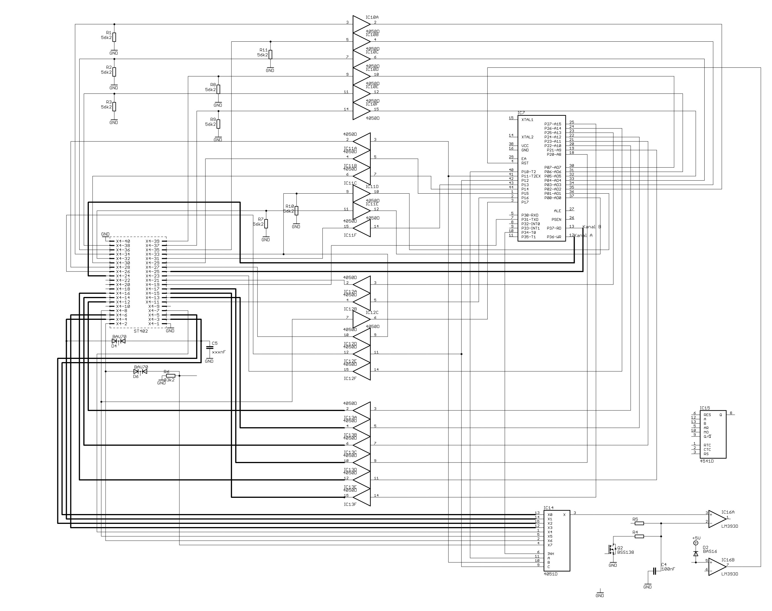
Prozessorplatine
Die Prozessorplatine scheint in allen Varianten sehr ähnlich zu sein. Bis auf wenige Ausnahmen sitzen sogar alle
Bauteile an den gleichen Positionen. Die Date-Codes auf den 80C52 deuten auf einen Altersunterschied von ca. 5 Jahren.
- Box 7403 690: 80C52417; VI 9509 229; Date-Code 1990-27; sonstige Bauteile Date-Code: ca 1990
- Box 7403 956: 80C52931; VI 9509 666; Date-Code 1992-01; sonstige Bauteile Date-Code: ca 1999
- Box 7408 217: 80C52BCT; VI 9515 550; Date-Code 1995-01; sonstige Bauteile Date-Code: ca 1999
An Hand der Differenzen aus den Date-Codes könnte man ableiten dass die Prozessoren aus der 7408 217 über einen Zeitraum
von mindestens 5 Jahren verbaut wurden.
Überraschenderweise enthält das Design keinen dedizierten ADC für die analogen Sensorwerte, auch der Prozessor besitzt keinen.
Vermutlich wird diese Funktion durch den LM393 (comparator) und den HEF4541 (timer) nachgebildet. Auch der fette Keramikkondensator
am unteren Bildrand spricht für irgendein diskretes Slope-Verfahren.
Der vorgeschaltete Analog-Multiplexer (4051, 8-fach) schaltet die Messignale der Reihe nach durch.
Eine Reihe von Buffern (4050, 6-fach) ist den I/Os des Prozessors vorgeschaltet. Zum Schutz der Eingänge, zur
Aufhübschung der Signalpegel und als Treiberbaustein. Alleine die Dioden-Matrix der Front-Drehschalterplatine
benötigt bereits ca 12 I/Os. Hinzu kommen noch die Dip-Schalter in der Regelbox (6 + 10 + 2*4 (Drehschalter))
und ihre COM-Leitungen. Die insgesamt 26 I/O-Ports der 4 Buffer sind daher komplett in Benutzung.
Hier ein unvollständiger Schaltplan der Prozessor-Platine:
Verwendungslisten
Die Variante 7814 549 scheint die letzte Variante oder Evolution der Regelbox zu sein. Viessman listet sie als
Ersatz für die folgenden Vorgängerversionen:
| 7814 549 als Ersatz für: |
|---|
| 7403 530 |
| 7403 613 |
| 7403 690 |
| 7403 956 |
| 7408 119 |
| 7408 217 |
| 7408 421 |
Entsprechend den aktuellen Listen wurde die Regelbox-Version 7814 549 in den folgenden Regelungen verwendet (oder darf dort eingesetzt werden):
| Teilenummer | Bezeichung |
|---|---|
| 7408 049 | Trimatik-MC Stadtgas A/D |
| 7408 078 | Trimatik-MC für BRA |
| 7408 107 | Trimatik-MC |
| 7410 065 | Trimatik-MC Front anth. |
| 7412 065 | Trimatik-MC IT |
| 7450 250 | Diomatik |
| 7450 260 | Trimatik-MC Front hellgrau |
| 7450 261 | Trimatik-MC |
| 7450 262 | Trimatik-MC kurze Leitungen |
| 7450 263 | Trimatik-MC |
Hier die entsprechende Verwendungsliste für die Variante 7408 421:
| Teilenummer | Bezeichung |
|---|---|
| 7408 049 | Trimatik-MC Stadtgas A/D |
| 7408 078 | Trimatik-MC für BRA |
| 7408 107 | Trimatik-MC |
| 7450 261 | Trimatik-MC |
| 7450 263 | Trimatik-MC |
Und noch für Variante 7403 690:
| Teilenummer | Bezeichung |
|---|---|
| 7408 107 | Trimatik-MC |
| 7410 065 | Trimatik-MC Front anth. |
| 7412 065 | Trimatik-MC IT |
| 7450 260 | Trimatik-MC Front hellgrau |
| 7450 261 | Trimatik-MC |
| 7450 262 | Trimatik-MC kurze Leitungen |
| 7452 260 | Viessmann Trimatik-MC |
| 7457 261 | Trimatik-MC GB |
Kodierschalter
Die Regelbox hat 2 Gruppen von DIP-Schaltern zur Konfiguration. Darüber wird der Box mitgeteilt welche Komponenten in der Anlage
vorhanden sind (z.B. ein Mischer) und welche Details bei der Regelung zu beachten sind (z.B. untere Grenze der
Kesseltemperatur).
Die Funktionen der Dip-Schalter sind bei allen Boxen praktisch identisch. Die einzige (optische) Abweichung ist
das "Verschieben" des einzelnen Schalters S104 in den auf 10 Positionen erweiterten Schalterblock.
Die folgende Tabelle listet die Funktionen der Kodierschalter einer (frühen) Version 7403 690.
Zur finalen 7814 549 habe ich keine Dokumente gefunden. Das letzte verfügbare Dokument beschreibt einige
Funktionen die bei der Vorgängerversion 7408 421 geändert worden. Vermutlich ist das der letzte Entwicklungsstand.
(Voreinstellungen in fett)
| DIP | Beschreibung | 1=ON=oben | 0=OFF=unten | 7408 421 Änderung |
|---|---|---|---|---|
| S1.1 | Umwälzpumpe bei Speicherbeheizung, einschalten | sofort einschalten | einschalten wenn (Kessel - Speicher) > 7K | |
| S1.2 | Temperaturunterschied Kessel und Heizkreis | Parallelverschiebung der Kesselkreistemperatur mit „X“ | Einstellung der Kesseltemperatur separat an der Regelbox | |
| S1.3 | Zeiträume für Trinkwassererwärmung | immer | durch Schaltuhr | |
| S1.4 | Umwälzpumpe bei Speicherbeheizung, ausschalten | ausschalten wenn Speichertemperatur erreicht | ausschalten wenn (Kessel – Speicher) < 7K | |
| S1.5 | Wirkung der Maximaltemperaturbegrenzung für Heizkreis (Drehknopf an Regelbox, nom. 75°C) | Heizkreis ohne Mischer | Heizkreis mit Mischer | |
| S1.6 | Heizkreispumpen während Trinkwassererwärmung | bleiben eingeschaltet, kein Vorrang | Heizkreispumpe wird abgeschaltet, Mischer wird geschlossen | |
| S1.7 | Umwälzpumpen Heizkreise | Dauerbetrieb, nicht abschalten | abschalten wenn (Aussen – Soll) > 1K | |
| S1.8 | Heizkreis B für Regelung mit Mischer aktivieren | Kein Mischer, Regelung wirkt nur auf Kesselkreis | Mischer wird angesteuert | |
| S1.9 | Fernbedienung | Temperaturen über die Fernbedienung einstellen | Temperaturen an der Regelbox einstellen | |
| S1.10 | Schaltuhr Kanäle | Kanäle zusammenfassen | Getrennte Kanäle und Schaltzeiten für Heizung und Warmwasser | |
| S2.1 | Brenner Stufenbetrieb | „1“:Zweistufenbetrieb „0“:Einstufenbetrieb | ||
| S2.2 | Brenner Schalthysterese | 4K | automatisch, 4 ..10K | |
| S2.3 | Umwälzpumpen Heizkreise | nicht abschalten | abschalten wenn (Aussen – Soll) > 1K | Änderung siehe Anleitung |
| S2.4 | Speicher-Temperaturbereich | 32 .. 60°C, einstellbar | 52 .. 80°C, einstellbar | |
| S2.5 | Umwälzpumpen Heizkreise Anfahrschaltung | einschalten sobald Brenner abschaltet oder Kesseltemperatur > 42°C (für Atola oder Edelstahlkessel) | eingeschaltet lassen auch wenn Kesseltemperatur > 35°C | |
| S2.6 | Untere Temperaturbegrenzung Heizkesselwasser | Begrenzung aktiv | Betrieb ohne untere Begrenzung |