Christians Webseite        << zurueck        vor >>



Vorher    Optimierung    Koax    510E Koax    Nachher    1220E    1220E Koax    1000E Koax   
1000E Filter    1000E 12V    1260E    1260E Koax    540E    Netzteil    Firmware    Tools    Teilnehmer    DC-Netz   
Historie    Technik    Datenraten    Devolo DSL    Kritik    Speedtest    MoCa    Seriennummer    Links   

Powerline

powerline powerline powerline
Powerline ist ein Verfahren zur Datenübertragung über das normale elektrische Stromnetz. Ein Adapter-Pärchen steckt man einfach in die Steckdosen und die jweiligen LAN-Buchsen verhalten sich wie direkt miteinander verbunden. Ideal für Situationen in denen man kein LAN-Kabel verlegen kann. Ich vermute das betrifft sehr viele die ihre Fritzbox im Keller am Kabel-/Glasfaser/DSL-Übergabepunkt platzieren müssen..

Die bekanntesten und relevantesten Anbieter für Powerline-Produkte sind:


Meine Adapter sind von der Firma AVM und basieren auf dem Standard HomePlug AV2. AVM bietet eine ganze Serie von Modellen mit unterschiedlichen Ausprägungen und Optionen an. Neben simplen LAN-LAN-Boxen gibt es auch welche mit integriertem WLAN oder durchgeführter Steckdose. Im Namen kodiert ist die maximale Übertragungsrate. Die 500er Serie schafft maximal 500Mbit/s, die 1000er Serie maximal 1200Mbit/s (auf der Stromleitung, nicht auf dem LAN!).

Die Bilder oben zeigen ein Paar der einfachen, älteren Modelle vom Typ FRITZ!Powerline 510E. Diese Serie basiert noch auf einem frühen HomePlug AV Standard. Sie funktionieren prima und zuverlässig wenn man mit einer minimalen Übertragungsrate von netto 20..30Mbit/s zurecht kommt.

Eine (unvollständige) Übersicht der Adapter der AVM FRITZ!Powerline-Familie:
Model Powerline Speed LAN Ports Steckdose WiFi
500E 500 Mbps 1Gbps: 1 no no
510E 500 Mbps 100Mps: 1 no no
520E 500 Mbps 1Gbps: 1 yes no
530E 500 Mbps 100Mps: 1 yes no
540E 500 Mbps 100Mps: 2 no 2.4GHz/300 Mbps
546E 500 Mbps 100Mps: 2 yes 2.4GHz/300 Mbps
1000E 1200 Mbps 1Gbps: 1 no no
1220E 1200 Mbps 1Gbps: 2 yes no
1240E 1200 Mbps 1Gbps: 1 no 2.4GHz/300 Mbps
1260E 1200 Mbps 1Gbps: 1 no 2.4GHz/866 Mbps +
5GHz/400 Mbps

Ein Link zur AVM-Wiki Powerline-Übersicht.
Eine Übersicht sonstiger Powerline-Adapter, oder alternativ in Listenform.

Der Powerline-Hype war Anfang der 2010er Jahre. Danach wurde es spürbar stiller und viele Chipsatz-Lieferanten zogen sich aus dem Geschäft zurück. Neue Impulse bekam die Technologie mit HomePlug Green Phy für die Ladesäulenkommunikation für Elektrofahrzeuge.

HomePlug vs HomeGrid

HomePlug und HomeGrid sind konkurrierende Technologien. Sie sind technisch sehr ähnlich aber nicht kompatibel und man kann die Geräte nicht mischen. Beide Technologien laufen unter dem Oberbegriff Powerline.

HomePlug basiert auf dem Standard HomePlug AV2.
HomeGrid basiert auf dem Standard G.hn.
Weiterer technischer Hintergund ist im Kapitel Technischer Hintergrund zu finden.

Pseudo-Powerline

Ein "kleiner" Nachteil gegenüber einem "echten" LAN-Kabel ist die stark verringerte Übertragungsrate. Sie hängt direkt von den Eigenschaften des Stromnetzes ab, ist schwer vorherzusagen und schwankt zeitlich und räunlich. Noch mehr wurmt es mich aber dass ich die 250Mbit/s meiner neuen, schnellen Internetverbindung nicht mal annähernd ausnutzen kann..

Als Lösung habe ich die Adapter so modifiziert dass die modulierten Daten nicht mehr über das Stromnetz transportiert werden sondern über ein separates Kabel. Dafür benutze ich ein altes bereits vorhandenes aber unbenutzt liegendes Antennenkabel (Koaxialkabel).

Wer es "ordentlich" mag und/oder keine Powerline-Adapter umbauen möchte dem empfehle ich direkt auf MoCA zu wechseln. Dieses System ist speziell für Coax-Übertragung konzipiert.

Eine ganz andere Lösung sollte auch unbedingt erwähnt werden. Glasfaserleitungen gibt es mittlerweile in extrem kleinen und biegsamen Ausführungen: 1mm Durchmesser, transparent, Biegeradius 5mm. Damit ist eine quasi unsichtbare Verlegung möglich.

Meine Gründe trotzdem die Modifikation der AVM-Powerline-Boxen zu bevorzugen sind die folgenden:

  • Sie sind bereits vorhanden und auch sehr preisgünstig zu bekommen
  • Meine Internet-Box (FritzBox) ist ebenfalls von AVM und das Zusammenspiel ist abgestimmt, getestet und problemlos
  • Es sind All-in-One-Boxen die bereits einen Router oder WiFi enthalten und kein zusätzliches externes Netzteil benötigen
  • Ich bastel gerne ..

Bestandsaufnahme

Die Ausgangslage meiner Verkabelung:

Adapter 1: Position Keller, Typ AVM 510E. Per LAN-Kabel verbunden mit dem Internet-Modem (FritzBox, 250 Mbit/s Cable, 1Gbit LAN-Port).
Adapter 2: Position Obergeschoss, Typ AVM 510E. Per LAN-Kabel verbunden mit dem PC, Gbit LAN-Port.
Beide Adapter sitzen auf der selben Netzphase.
Die Adapter der 500er Serie haben einen LAN-Port der nur maximal 100 Mbit/s unterstützt. Diese Grenze werde ich nicht überschreiten können.

-> Die erreichbare maximale Netto-Übertragungsrate liegt in der Gegend von ~20 Mbit/s.

Das Powerline-Tool von AVM zeigt Werte im Bereich um 100 Mbit/s für die physikalische Brutto-Übertragungsrate über das Netz an. Die aktuelle Netto-Datenrate wird nicht angezeigt, nur die LAN-Geschwindigkeitskategorie. Nach meinen bisherigen Beobachtungen liegen die beiden Werte immer grob um den Faktor 4 auseinander.

Die Angaben für den Netto-Durchsatz kommen vom "Vodafone Speedtest" der im PC-Browser läuft. Kein perfektes Setup, aber für meine Ansprüche und relative Vergleiche gut genug.

Ein Test mit probeweise eingesetzten Adaptern aus der 1000E-Serie (1200 Mbit/s mit MIMO) erbrachte nur einen minimalen Geschwindigkeitszuwachs auf knapp 30 Mbit/s.

Erste Kontrolle: Der Datendurchsatz verbesert sich auf ~80Mbit/s wenn man beide Adapter an physikalisch eng benachbarten Steckdosen betreibt (testweise mit einem langen Verlängerungskabel).

Zweite Kontrolle: Mit einer direkten LAN-Kabel-Verbindung zwischen Internet-Modem und PC steigt der Netto-Durchsatz auf 250Mbit/s. Das entspricht genau der maximalen gebuchten Internetdatenrate. Es ist daher sehr plausibel dass die Powerline-Verbindung massgeblich für die Drosselung verantwortlich ist.

Fazit: Mehr als 30 Mbit/s sind in meinem Stromnetz nicht erreichbar. Die Güte des Netzes und eine geringe Dämpfung haben (erwartungsgemäss) einen gewaltigen Einfluss.

Optimierung der Hausverkabelung

Die Hausverkabelung kann man in 2 Richtungen optimieren:

  • Dämpfung der Signale minimieren
  • Störsignale filtern

Eine erste simple Massnahme ist die Auswahl der identischen Phase für alle Powerline-Geräte. Ein Blick in den Sicherungskasten kann dabei helfen. Oder einfach alle verfügbaren Steckdosen durchprobieren und die Konfiguration mit dem höchsten Durchsatz auswählen. Parallel dazu kann man alle Steckernetzteile und Geräte "in der Nähe" probeweise ausstecken. Möglicherweise entdeckt man dabei ein Gerät dass die Kommunikation besonders stark stört.

Für diese Analyse sollte man sich ausreichend Zeit nehmen. Das Netzwerk-Management des Powerline-Systems ist relativ träge und braucht ein paar Minuten bis es Veränderungen in der Topologie sauber berücksichtigt hat. Hinzu kommt die relativ träge Adaption und automatische Optimierung der verwendeten Trägerfrequenzen und Amplituden.

Für alle weiteren Optimierungen muss man die Verkabelung im Sicherungskasten modifizieren. Das ist nur zu empfehlen wenn man eine entsprechende Fachausbildung hat. Neben der eigenen Gefährdung kann man dort unwissentlich sehr leicht Schutzeinrichtungen (z.B. FI-Schalter) kompromitieren.

Durch den Einbau eines Phasenkopplers kann man die 3 (üblicherweise vorhandenen) Phasen der Hausverkabelung für den Powerline-Frequenzbereich miteinander verkoppeln. Ein Koppler besteht im einfachsten Fall aus Hochspannungsfesten Kondensatoren zwischen den Phasen.

Die hochfrequenten Nutzsignale können eventuell durch andere Verbraucher auf der Phase kurzgeschlossen werden. Deren Eingangsbeschaltungen, zur Unterdrückung eigener Störungen, wirken in diesem Fall wie ein Kurzschluss. Abhilfe schafft ein Tiefpassfilter mit hoher Eingangsimpedanz (z.B. eine Spule in Reihe) vor dem Gerät.

Ein Filter kann auch Störsignale aus "spratzelnden" Geräten unterdrücken. Besonders Schaltnetzteile können eine Menge störende Frequenzen erzeugen. Die üblichen Grenzwerte der EMV-Zulassungsanforderungen werden dabei durchaus eingehalten. Diese haben aber nicht zum Ziel eine Powerline-Übertragung zu optimieren. Eine mögliche Lösung sind Klappferrite.

Eine sehr fundierte und schön erläuterte Zusammenfassung des ganzen Themas habe ich im "Holz, Metall und Smart Home - Blog" gefunden:

LAN über Koaxialleitung / Antennenkabel

powerline powerline

Powerline verwendet zur Datenübertragung ein Trägersignal im Bereich 2 .. 68 MHz. Dieser Träger wird auf die Netzleitung aufmoduliert und darüber verteilt. Die Ausbreitungsbedingungen sind aber alles andere als ideal, wodurch der Datendurchsatz begrenzt wird. Optimaler wäre es die Modulation über ein getrenntes Kabel zu übertragen..

Glücklicherweise liegt bei mir noch ein ungenutztes Koaxialkabel aus der "guten alten Fernsehzeit". Es startet im Keller und wandert durch das ganze Haus. Perfekt für meine Zwecke :).

Wer sowas nicht liegen hat kann auch irgendwelche anderen 2 Adern eines anderen Kabels (mit-)verwenden. Telefonanlage? Klingel? Oder sogar eine Wasserleitung..? Powerline schluckt so ziemlich alles und passt die Datenrate automatisch auf das Maximum an. Ein Koaxialkabel ist ideal weil es abgeschirmt ist und eine konstante Impedanz hat. Eine Zweidrahtleitung würde ich als auch sehr gut geeignet ansehen.

Adapter modifizieren

Die Innenansicht einer AVM 510E Box:
powerline powerline

Vorab ein wichtiger Sicherheitshinweis.

Die Schaltung ist direkt mit dem Stromnetz verbunden. Viele Teile führen lebensgefährliche Spannungen!

Die grundsätzliche Idee hinter dem Umbau: Das Modulationssignal abgreifen bevor es ins Stromnetz eingespeist wird und auf einen extra Stecker umleiten. Der Adapter ist damit "nur noch" ein Netzteil für den LAN-Transceiver. Weil man auf der Niederspannungsseite arbeitet sind die Spannungen niedrig und harmlos. Das neue Datenkabel bleibt durch den Transformator isoliert und spannungsfrei.

Freundlicherweise sind die Adapter so aufgebaut dass man die Funktionsgruppen leicht erkennen kann:

  • Der Modulator (AR1540, Unten) schickt die Modulationssignale über ein Anpass- und Schutz-Netzwerk zum Netzstecker
  • Das Schaltnetzteil (Oben) versorgt den Adapter
  • Ein Optokoppler (Mitte) liefert Synchronisationssignale

Auf der Platinenunterseite erkennt man deutlich einen unbestückten Sicherheitsstreifen. Dies ist die räumliche Trennung zwischen dem Netzspannungsbereich (Rechts, böse) und dem sicheren Niederspannungsbereich (Links, gut). Der Sicherheitsstreifen wird nur durch spezielle, sichere Bauteile überbrückt (Transformatoren, Kondensatoren, Optokoppler). Dies ist eine übliche Methode um eine sichere Netztrennung zu gewährleisten.

Der im Bild markierte Transformator (Ferritkern) bildet die galvanische Trennung zwischen dem Modulator (AR1540) und dem Stromnetz. An dieser Stelle werden die modulierten Signale ins Netz eingespeist. Den Transformator habe ich ausgelötet und umgedreht wieder eingelötet um das Koaxialkabel bequemer an seinen Ausgangs-Pins anschliessen zu können. Die Modulationssignale gelangen dadurch ab jetzt nur noch auf/in die Koaxialleitung.

powerline powerline
powerline powerline powerline
powerline powerline powerline

Im Testaufbau ist ein kurzes Stück Doppelleitung als Zugentlastung eingefügt. Reflexionen auf Grund der unterschiedlichen Leitungsstrukturen erwarte ich nicht. Bei 68 MHz ist die Leitung elektrisch extrem kurz und nicht relevant.
Im finalen Aufbau wird eine F-Buchse verwendet die direkt im Gehäuse montiert ist. Und natürlich wird alles hinreichend isoliert.

Diese Modifikation muss in beiden Adaptern vorgenommen werden.

Dem "Powerline"-Transformator ist es relativ egal was für eine Type Kabel angeschlossen wird. Signaltechnisch optimal wäre es natürlich mit einer passenden Leitungsimpedanz weiter zu gehen. Bei 70 MHz halte ich es aber für unnötig sich über Wellenparameter grosse Gedanken zu machen. Zudem ist das System speziell für "gestörte" Leitungen ausgelegt und optimiert und adaptiert sich automatisch. Bei sehr langen Leitungen, oder sonstigem grenzwertigem Betrieb, mag das anders aussehen.

Durch den Ferrit-Transformator ist das neue Kabel galvanisch sehr gut vom Rest isoliert. Zusätzlich verwende ich in allen Umbauten auch noch die "fetten" Entkoppelkondensatoren um eventuelle Ströme (Kurzschlüsse) durch Gleichspannungen zu verhindern. Besonders bei unbekannten Haus-Verkabelungen weiss man nie ob nicht irgendwo noch ein Receiver oder ein alter Verstärker an der Leitung hängt..

Ergebnisse

Mehr als 100 Mbit/s beim Speedtest und ein fettes Spektrum. Ein voller Erfolg :).
Links alt, rechts neu. Bemerkenswert ist der Zugewinn oberhalb 30 MHz.
powerline powerline

Das PowerLine-Tool von AVM zeigt mehr als 400 Mbit/s an. Diese Datenrate bezieht sich aber nur auf das Modulationssignal, der Adapter selbst ist ja spätestens durch seinen 100 Mbit/s LAN-Port begrenzt.
powerline

Fritz!Powerline 1220E

Ein weiterer Adapter aus meinem Fundus den ich zur Unterhaltung zerlegt habe: AVM Fritz!Powerline 1220E. Die 1000er-Bezeichung steht für 1 Gbit/s Übertragungsrate. Der Adapter hat 2 Stück 1-Gbit-LAN Ports und eine durchgeschleifte Steckdose für Verbraucher.

powerline powerline

Das Innere ist deutlich aufwändiger als in der 500er Serie und auf 2 Platinen verteilt.
powerline powerline

Auf der unteren Platine befinden sich alle Komponenten die etwas mit dem Stromnetz zu tun haben und der Schaltregler für den Logik-Teil. Auf der oberen Platine sitzt "die Logik", die Prozessoren, der Ethernet-Port und analoger Kleinkram.

powerline powerline

Dieser Adapter verwendet eine 2x2 MIMO Modulation mit einer theroretischen Übertragungsrate von mehr als 1 Gbit/s. Als zweiter Kanal wird der Schutzleiter verwendet, der Signaltransformator ist deshalb doppelt ausgeführt.

Im Vergleich zur 500er Serie haben ausserdem die Rx- und Tx-Pfade separate Wicklungen.

Ohne es getestet zu haben würde ich die Schaltung ebenfalls für einen Umbau als geeignet ansehen. Falls 3 Adern zur Verfügung stehen kann man sogar die MIMO-Betriebsart nutzen. Ansonsten würde ich nur den Übertrager-Teil für Phase und Nulleiter verwenden und den vom Schutzleiter ignorieren/stillegen.

Der Haupt-Chip "versteckt" sich unter einem aufgeklebtem Kühlkörper und ist sehr wahrscheinlich aus der QCA7500-Serie.
Der Ethernet-Chip ist ein QCA8334 von Qualcomm. Wie bei QC leider üblich sind keine öffentlichen Infos oder Datenblätter verfügbar.

Oops, I did it again.. AVM 1220E umgebaut

Eigentlich wollte ich nur mal kurz in den AVM 1220E "reingucken", aber jetzt habe ich ihn doch umgebaut..
Weil er 2 LAN-Ports hat und ich mir dadurch eine zusätzliche Router-Box einspare und die durchgeführte Steckdose auch ganz praktisch ist.

powerline powerline
powerline powerline powerline
powerline powerline

Der Platinenverbinder hat 10 Stifte von denen 7 belegt sind. Die 4 Signale "in der Ecke" sind für den Optokoppler (2x), Masse und Versorgungsspannung. Die restlichen 3 Stifte sind für die Verbindung zwischen dem Signaltrafo und der Netzplatine und werden nicht mehr benötigt.

Den steckbaren Platinenverbinder habe ich durch fest verlötete Kabel ersetzt. Das ist nicht wirklich notwendig, aber so konnte ich den freigewordenen Platz wird für die Einbau-F-Buchse verwenden. Durch die Huckepack-Bauweise der Platinen ist der Bauraum sehr begrenzt und diese Stelle ist eine der wenigen die gut geeignet sind.
Zudem war meine Logik das Steckverbinder immer auch ein (geringes) Risiko für Kontaktprobleme haben.

Das Trägersignal wird direkt hinter dem Trafo auf der oberen Platine abgegriffen. Zur DC-Entkopplung werden 2 der 3 grossen, blauen Koppelkondensatoren wiederverwendet (C9 und C901, die werden auf der unteren Platine nicht mehr benötigt) und in die Kabel zur F-Buchse eingeschleift.

Ein provisorischer Schaltplan der nur die für Signalein/-auskopplung relevanten Bauteile betrachtet. Die Verbindungen der "grossen" Kondensatoren zum Netz werden unterbrochen. Dort wird die neue Leitung angeschlossen.
powerline

Der Kondensator zum Schutzleiter (PE = Protective Earth) bleibt isoliert und unbenutzt. Wer eine dritte Ader zur Verfügung hat kann ihn damit verbinden und dann zusätzlich MIMO aktivieren.


Einige Zeit später..

Die durchgeschleifte Steckdose benötige ich nun doch gar nicht weil die Box sowieso in einer Mehrfach-Steckdosenleiste sitzt. Dort blockiert sie leider auch die benachbarten Plätze. Zudem sitzt der Koax-Stecker nicht optimal. Deshalb habe ich weiter umgebaut. Den "ganzen Steckdosen-Krempel" habe ich entfernt, ein Stück Netzkabel angeschlossen, die Öffnungen gedeckelt und die Koax-Buchse versetzt. Für meine Gegebenheiten ist das nun eine ziemlich perfekte Lösung.

powerline powerline

AVM 1000E Koax-Umbau

powerline powerline

Die AVM 1000E Box ist funktional identisch zur 1220E, hat aber nur 1 Ethernet-Buchse. Sie ist der grosse, modernere Bruder der 510E, unterstützt MIMO und kann damit die Übertragungsrate ~verdoppeln. Passend dazu hat sie eine auf 1Gbit aufgebohrte Ethernetschnittstelle. Der Basis-Chip ist ein QCA7500, der Modulator ein AR8050.

Diese Box habe ich nur umgebaut um auch noch das Letzte aus der Verbindung herauzuholen. Die Ethernet-Schnittstelle der ursprünglichen 510E-Box limitierte die Datenrate auf ~100Mbit/s, bei der 1000E-Box liegt sie nun (theoretisch) bei 1Gbit/s.

powerline powerline

Der blaue Kondensator auf der Oberseite ist die Verbindung zur PE-Leitung. Das ist der zweite Kanal für den MIMO-Betrieb. In meinem Koax-Aufbau ist diese Leitung nicht vorhanden und MIMO wird nicht verwendet. Deshalb ist ein Beinchen des Kondensators ausgelötet und mit Schrumpfschlauch isoliert.

Das Powerline-Modulationssignal in Richtung Phase/Nulleiter liegt an den beiden SMD-Kondensatoren auf der Unterseite an. Diese Kondensatoren habe ich halb abgelötet/verdreht um die Netzverbindung zu unterbrechen. Die freien Enden sind über Drähte mit dem Koax-Stecker verbunden. Ein Tropfen Epoxi-Kleber fixiert und isoliert alles und sichert die mechanisch sehr empfindlichen Lötkappen der Kondensatoren. Ja, das ist eine kritische Stelle und man kann das sicherlich viel eleganter lösen..

powerline powerline powerline

Die Resultate mit der AVM 1220E/1000E Koax-Kombination sind hervorragend. Die Nettodatenrate steigt auf ~250 Mbit/s an (das Maximum der Internetverbindung). Die Datenrate im Koaxkabel erreicht Werte von über 550 Mbit/s. Das Spektrum ist vollständig und die Pegel sehr hoch.

powerline powerline

Brutto- und Nettodatenrate sind nur noch grob um den Faktor 2 auseinander. Bei der originalen Netz-Übertragung war dieses Verhältnis deutlich ungünstiger. Ich vermute das liegt an dem sehr idealen Übertragungskanal der kaum Verluste durch Fehlerkorrekturen verursacht.

Von der 1000E-Platine existiert noch (mindestens) eine weitere Platinenversion. Alle Funktionsgruppen sind sehr ähnlich, nur im Detail finden sich einige feine Unterschiede. Die Filterung auf der Netzseite ist leicht abgeändert und viele Bauteile wurden umplatziert.

Links: M01-1000E-D10 Date-Codes 2014
Rechts: M01-1000E-D20, Date-Codes 2016
powerline powerline

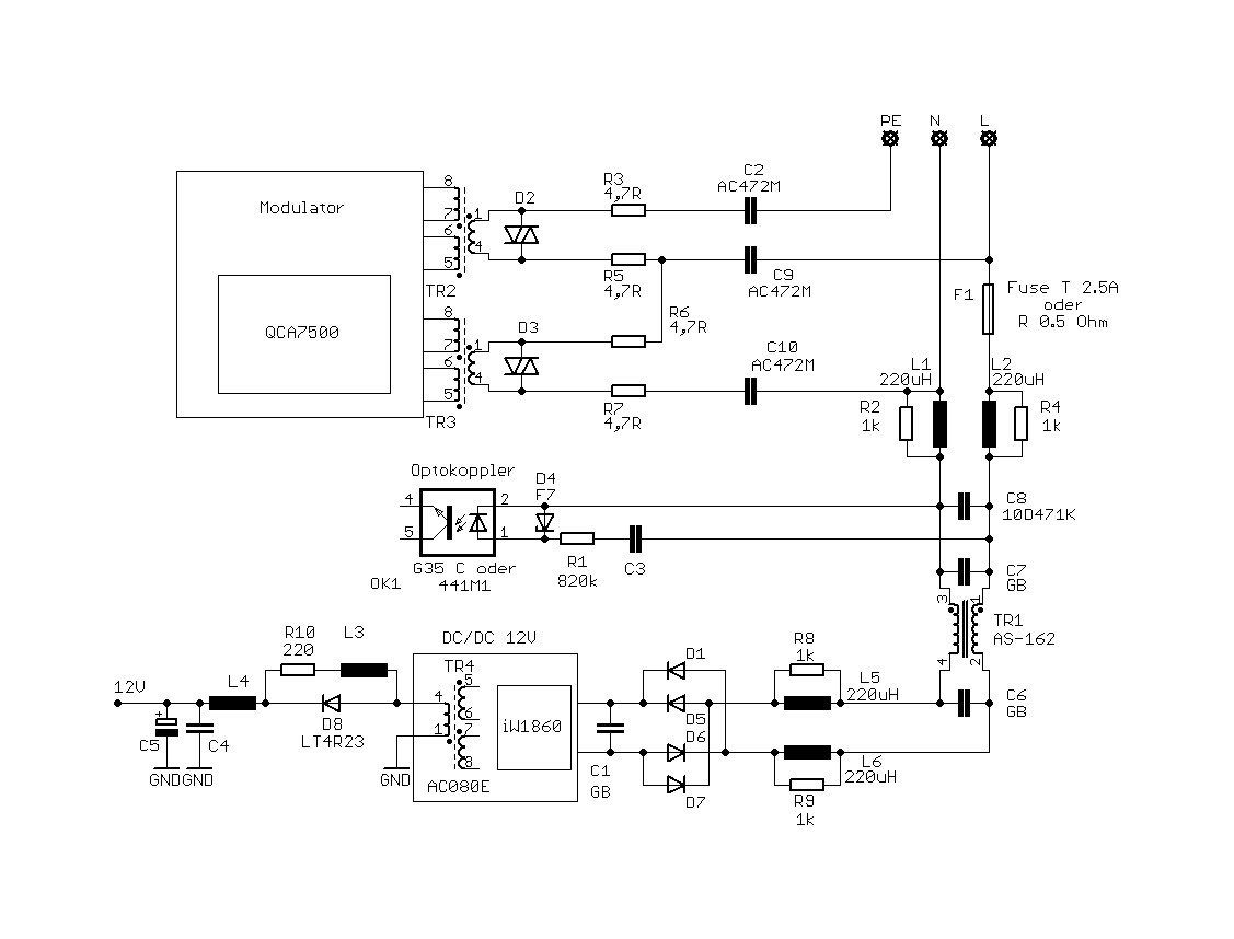
AVM 1000E Filterung

Auf der Platine sitzt ein aufwendiges Filter um das hochfrequente Modulationssignal von den übrigen Komponenten zu isolieren. Die Werte der Komponente variieren etwas in Abhängigkeit der Platinen-Revision. Die Topologie ist aber identisch und wird in sehr ähnlicher Form auch in der 1220E eingesetzt.

powerline

Die Modulationssignale vom Modulator werden über 3 Kondensatoren (4,7nF) direkt an L, N und PE gekoppelt (die Zuordnung von N und L ist zufällig gewählt). Das "zusätzliche" MIMO-Signal liegt auf PE. Vor dem Modulatortrafo sitzen diverse Schutzelemente (nur angedeutet durch D2 und D3). Der Trafo ist gleichzeitig die galvanische Trennung zum Rest der Elektronik.

Im weiteren Pfad zum Netzteil finden sich diverse Induktivitäten, Varistoren und Hochspannungskondensatoren. Sie unterdrücken unerwünschte Störaussendungen und Oberwellen aus dem Schaltnetzteil.

AVM 1000E 12V-Betrieb

Das eingebaute Netzteil der 1000E versorgt die Elektronik mit 12V. Der PWM-Controller ist ein iW1860-20. Ein Transformator sorgt für eine galvanische Trennung der Elektronik vom Stromnetz. Im Niederspannungsteil folgen noch weitere Regler für die Prozessoren. Das Netzteil ist okay und tut seinen Dienst, eine eventuelle Alterung des Netz-Kondensators sollte man aber im Hinterkopf behalten (siehe Kapitel weiter unten). Das ist aber kein zwingender Grund für einen Austausch, alternative Netzteile verwenden ein ähnliches Konzept/Aufbau und bieten daher kaum Vorteile.

powerline

Aber manchmal gibt es gute Gründe die Schaltung aus einer externen DC-Quelle zu versorgen. Z.B. weil das ganze System aus einer Batterie betrieben wird und überhaupt kein 230V-Netz vorhanden ist. Oder weil bereits ein 12V Netzteil vorhanden ist und alles darüber geschaltet wird.

Im folgenden Beispiel habe ich das Schaltnetzteil vom Netz abgekoppelt und die 12V direkt auf der Sekundärseite eingespeisst. Wie und wo man sich vom Stromnetz abkoppelt hängt davon ab ob man den Modulationspfad bestehen lässt und auch ob man den Optokoppler weiterhin verwenden möchte. Das war bei mir der Fall weil die Modulation weiterhin über das 230V Netz läuft. Ich habe deshalb L14 und L15 entfernt (einfach die Tracks auf der PCB durchtrennen funktioniert ebenfalls).
Die "neuen" 12V werden am ersten Elko hinter der Sekundär-Gleichrichterdiode eingespeisst.

powerline powerline

Über den Strombedarf kann ich nur spekulieren. Der iW1860-20 liefert in typischen Applikationen ca. 400mA.

Beim Umbau anderer Boxen sollte man vorab unbedingt die vorliegende originale Versorgungsspannung überprüfen! Bei der 1000E habe ich 12V gemessen, bei der 1260E 3,3V und bei der 500er-Reihe 5V.

AVM 1260E

Ein weiteres Mitglied der AVM Powerline Familie ist die 1260E. Sie hat single Ethernet und WiFi 2,4 und 5GHz nach den Standards IEEE 802.11a/b/g/n/ac mit bis zu 866 Mbit/s (auf der Luftschnittstelle).

powerline powerline powerline powerline

powerline powerline
powerline powerline

Der innere Aufbau ist sehr kompakt und aufgeräumt, die Funktionsgruppen sind ähnlich zur 1000E zu erkennen. Das Netzteil scheint, wegen WiFi, etwas leistungsfähiger ausgelegt zu sein. Die Antennen sind als "Stäbe" zu erkennen und für 5GHz zusätzlich in der Platine integriert (2 Stück wegen MIMO).

Das Schaltnetzteil ist diesmal rund um einen INN2603K aufgebaut. Dieser Chip regelt auch direkt die 3,3V auf der Sekundärseite.

Weiter wichtige ICs:
QCA7550: Powerline-Chip von Quallcomm
IPQ4018: WiFi-Chip von Quallcomm, 801.11ac, 2.4 und 5GHz, 2x2 MIMO
AR8035: Ethernet-PHY von Atheros/Quallcomm, 10/100/1000 Mbps, single port
PA5532: WiFi-PA von Qorvo, 5GHz

Diese Box hat intern 2 Betriebssysteme:

  • Powerline: aktuell etwas aus dem 2.13.xx-Nummerkreis
  • WiFi und der "Rest": aktuell eine 8.20, in Anlehnung an die FritzBox-Versionierungen
Um diese Details muss man sich bei einem Update aber nicht kümmern, beides kommt in einem Bundle.

AVM 1260E Koax-Umbau

Und noch ein Koax-Umbau ...

powerline powerline

Wie "üblich" habe ich auch hier eine F-Buchse eingebaut. Das Antennenkabel ist über ein simples T-Stück, ohne irgendwelche Matchings, mit den schon vorhandenen Kabeln/Boxen verbunden. Im Spektrumsmonitor sind leichte Fehlanpassungs-Dips zu erkennen. Die Powerline-Brutto-Übertragungsrate erreicht aber unverändert mehr als 500Mb/s und ich werde deshalb nichts weiter verändern.

Der fest angebaute Netzstecker wurde entfernt und durch ein Kabel ersetzt. Das brachte einen unerwarteten und sehr erfreulichen Nebeneffekt. Die Box ist dadurch nicht mehr an die Antennentechnisch ungünstige Position einer Steckdose gebunden. Die neue Position, auf einem Brett auf halber Raumhöhe, hat die WLAN-Adeckung erheblich verbessert.

AVM 540E

powerline powerline

Die AVM 540E Box hat 2x Stecker für jeweils 100Mbit/s Ethernet und ein 2,4GHz WLAN. Der komplette digital- und Funk-Teil sitzt unter einem Schirmblech mit aufgesetztem/aufgeklebtem Kühlkörper. Deshalb habe ich keine Infos welche Chipsätze verbaut sind.

powerline powerline
powerline
Der schwarze Ferrit-Transformator koppelt die Modulationssignale auf die Netzleitung. Eine externe Signalleitung würde an dieser Stelle angekoppelt, analog zum Vorgehen bei der 510E-Box: Sekundärseite vom Netz isolieren und die neue Signalleitung an den Trafo anschliessen.

Netzteilfehler und Reparatur

Das vorher gezeigte 540E-Exemplar zeigte sporadische Ausfälle, über die Zeit immer häufiger. Am Ende funktionierte garnichts mehr und "die Lampen blieben dunkel".

Die Messung der zentralen 5V-Versorgungsspanung auf der Niederspannungsseite (am 220u/16V Kondensator) mit einem Oszilloskop zeigte starke Schwankungen und Rauschen. Als Folge konnte der Prozessor nicht mehr aufstarten bzw. ging ständig in einen Reset.

Ursache war ein defekter/gealterter Elko auf der 230V-Seite (4.7u/400V). Dadurch konnte der Schaltregler (iW1816-20 Renesas/Dialog) nicht mehr korrekt arbeiten und als Folge wurde die 5V-Versorgung "wackelig".

powerline powerline

Die Netzteil-Sektion ist praktisch identisch in allen AVM-Boxen aus dieser Baureihe/Zeit zu finden. Zumindest in dem halben Dutzend Gerätetypen die ich geöffnet habe. Offensichtlich hat AVM die Grundschaltung mit dem iW1816-20 gerne und häufig verwendet.
powerline

Es handelt sich um einen klassischen Schaltregler. Die ankommenden 230V AC werden gleichgerichtet, gefiltert und dann über einen Transformator (64KHz Takt) auf 5V herunter transformiert und gleichgerichtet. Der Trafo hat eine kleine Hilfswicklung für die Spannungsregelung. Auf der Sekundärseite wird nur gleichgerichtet.

Ein Schwachpunkt bei diesen Konzepten ist der Filterkondensator auf der Primärseite (4.7u/400V). Er muss die ca. 330V Peak-Spannung aushalten und darf nur sehr geringe Verluste haben. Zu hohe Verluste führen zu übermässiger Erhitzung, gefolgt von beschleunigtem Austrocken. Diese Kaskade führt schnell zum Totalausfall.

Durch diese Reparatur sensibilisiert habe ich dann in allen meinen Powerline-Boxen die Kondensatoren vorsorglich ausgetauscht. AVM verbaut unterschiedliche Kapazitätswerte, vermutlich abhängig vom Strombedarf der jeweiligen Elektronik: 4u7, 6u8, 6u8 und 10u parallel.

powerline powerline

Die original verbauten Kapazitätwerte habe ich möglichst durch den doppelten Wert ersetzt. In den Gehäusen ist typischerweise ausreichend Platz für die grösseren Bauformen oder sogar auch für zwei Kondensatoren parallel. Als Ersatz habe ich mir die folgenden Typen ausgeguckt:

UVZ2G4R7MPD 4.7u/400V
ULD2G8R2MPD1TD 8.2u/400V
UCS2W6R8MPD 6.8u/450V
HRC00FE1002WTNL 10uF/450V

Mein Fokus lag dabei auf hoher zulässiger Betriebstemperatur und langer Lebensdauer. Die Gehäuseabmessungen sind minimal grösser, das 5mm-Raster wird aber beibehalten. Vermutlich eine zwingende Folge der verbesserten Eigenschaften. Mit einem Komponententester habe ich den ESR bestimmt. Der Funktionsprinzip des Tester ist leider sehr primitiv, für eine vergleichende Messung und zur Erkennung einer Tendez sollte es aber ausreichen:

UCS2W6R8MPD 6.8u/450V : ESR 3 Ohm
HRC00FE1002WTNL 10uF/450V : ESR 1.8 Ohm
Original 4.7u/400V : ESR 10 Ohm

Der ESR ist natürlich nur eine von vielen Kenngrössen. Und ob die getauschten Bauteile auch noch andere Fehler hatten, z.B. feine interne Hochspannungs-Kurzschlüsse, kann ich nicht überprüfen.



Das Netzteil zu reparieren ist nicht der einzige Weg um die Box wieder zum laufen zu bekommen. Man kann auch den "ganzen kaputten Schaltregler-Krempel" und Übertrager entfernen und direkt ein 5V-Netzteil anklemmen. Das eröffnet auch die Möglichkeit die Box z.B. mit einem Step-Down in einer 12V, 24V oder 48V Umgebung einzusetzen.

Dabei gehen allerdings auch die 50Hz-Signale des Optokopplers verloren. Darüber synchronisiert ein PLC-System seine Daten-Frames. In einem DC-Versorgungssystem ist das natürlich sinnfrei. Und laut den PLC-Beschreibungen erzeugt sich bei Abwesenheit der System-Master seinen eigenen Takt.

AVM Powerline Firmware

Erfreulicherweise bietet AVM auf seiner Downloadseite immer noch regelmässig Firmware-Updates für die 1000er Modellreihe an. Momentan (Anfang 2026) sind die folgenden Versionen aktuell:

Name Version Datum
510E 1.5.0.2-24 16.04.2020
540E 7.15 12.09.2023
1000E 3.0.0.0-43 17.03.2026
1220E 3.0.0.0-38 21.04.2026
1260E 2.13.0.2-22 / 8.20 17.12.2025
(In der 1260E haben der WiFi- und der Powerline-Teil unterschiedliche Versionierungen)

Zum Updaten wird das Fritz!Powerline-Tool benötigt. Alternativ kann auch eine Fritz!Box verwendet werden. Dort wird mittlerweile sogar automatisch auf Updates hingewiesen.
Modelle mit eigener Web-Oberfläche (z.B. 1260E) können darüber upgedated werden.

Ein manuelles Update ist nur mit einer höheren Versionsnummer als der installierten möglich. Einzige Alternative sind die manchmal verfügbaren "Recovery-Versionen".

Software-Tools

Einige Hersteller bieten Software zur Konfiguration an. Damit kann man z.B. den Adaptern einen Namen geben und eine Skizze der Topologie betrachten. Bei AVM kann vieles davon auch direkt über das Menü der FritzBox erreicht werden.

Die Tools "sprechen" direkt mit den Powerline-Chipsätzen. Und weil viele von Qualcomm Atheros stammen, und auf den gleichen SW-Bibliotheken aufsetzen, können sie auch Geräte von Fremdherstellern sehen und bearbeiten.


AVM scheint sich besonders viel Mühe gegeben zu haben. Dort werden sogar die Frequenzspektren und die Durchsatzraten in Echtzeit angezeigt. Das ist extrem hilfreich zur Problemfindung oder Optimierung.

Teilnehmerliste und Verzögerungen

Das Teilnehmer-Management im Powerline scheint recht langsam und gemütlich ausgelegt zu ein. Ein Streichen aus der Liste (Mesh-Übersicht in der Fritzbox) benötigt durchaus mal ~10..20 Minuten . Das Hinzufügen geht schneller und ist nach 1 Minute erledigt. Die Anzeige im Powerline-Tool ist deutlich schneller und reagiert innerhalb weniger Sekunden.

Ich vermute dass der Powerline-Master im Hintergrund eine Teilnehmerliste mit "Eigenschaften" und einer "Lease Time" pflegt um auf kurzzeitige Unterbrechungen passend reagieren zu können. Und diese Liste wird nur sehr langsam aktualisiert. Scheinbar kann man sie durch schnelle Wechsel der Boxen und häufiges Umkonfigurieren ziemlich strubbelig machen bis "gar nichts mehr geht". In diesem Fall sollte man 20 Minuten ausgestöpselt warten bevor man es erneut probiert.

Betrieb in einem DC-Netz

Laut den AV-Spezifikationen ist Powerline auch für DC-Netze geeignet, und auch für Netze mit von 50/60Hz abweichender Netzfrequenz. In diesem Fall arbeitet der Netz-Master mit einem selbst generierten 50Hz-Raster auf den sich die Slaves synchronisieren. Der aktuelle Modus wird den Slaves über die Statusnachrichten mitgeteilt.

In den Powerline-Adaptern ist üblicherweise immer auch ein Optokoppler vorhanden um sich auf die Netzfrequenz zu synchronisieren. Das interne Timing und die Modulation adaptieren sich darauf um die Übertragungsqualität zu maximieren. Störungen die zyklisch mit der Netzfrequenz auftreten können dadurch besser kompensiert werden.

Powerline, technischer Hintergrund

Powerline verwendet vorhandene Stromleitungen für die Datenübertragung. Die Datensignale werden dabei auf die Stromleitung im Frequenbereich 2 .. 68 MHz aufmoduliert. Powerline Communications (PLC) war Anfang der 2000er Jahre "ganz heisser Scheiss". Der Traum war die 230V-Versorgungsnetze für die breitflächige Versorgung mit Internetzugang einzusetzen. Es kam ganz allerdings ganz anders durch den Erfolg von VDSL, Glasfaser- und Kabelnetzen, Mobilfunk und Satelliten-Netzwerken. Übrig blieb die Nischen-Anwendung im Home-Bereich.

Die heute für den Home-Bereich verfügbaren Geräte basieren alle auf einem der beiden folgenden Standards:

HomePlug AV2

Der aktuell am häufigsten verwendete Standard hat den Namen HomePlug AV2.
Er wurde von der HomePlug Powerline Alliance, einer Interessensgruppe aus mehreren Firmen, abgesprochen und definiert. Das letzte Release wurde im Jahr 2014 veröffentlicht. Die Gruppe hat ihre Arbeit in 2016 auf andere Organisationen übertragen und ihre Aktivitäten auslaufen lassen. Eine Weiterentwicklung ist nicht vorgesehen.
Vor dieser Standardisierung gab es diverse Eigenentwicklungen wie z.B. HomePlug oder DS2 AV. Diese waren zueinander nicht kompatibel und die Implementierungen waren nicht besonders smart.

G.hn

Der zweite relevante Standard hat den Namen G.hn.
Er wird auch als HomeGrid-Standard bezeichnet und u.a. vom Industrieverband HomeGrid Forum stark gefördert. Er ist moderner als HomePlug, hat technische Vorteile und kann als dessen Nachfolger und Ersatz angesehen werden. Ein weiteres Argument für seine zunehmende Adaption ist seine universellere Auslegung die nicht auf den Heim-Bereich fokusiert ist sondern z.B. auch Koax- und Telefonleitungen umfasst. Die Standardisierung wurde 2010 abgeschlossen. Devolo, ALLNET und GIGA Copper Networks haben/hatten Geräte im Programm die auf Chipsätzen von Marvell/MaxLinear basieren. Ein weiterer Chip-Anbieter war Lantiq (ex Infineon).
G.hn ist nicht kompatibel mit HomePlug-Systemen.

In der Praxis im Haus bietet G.hn nur sehr geringe Vorteile. Die Stromleitung als Übertragungsmedium ist generell problematisch und begrenzend. Das Handling der Teilnehmer ist auch bei HomePlug schon sehr gut und es gibt keine drängenden Gründe für einen Wechsel.

Subjektiv scheint die Marktdurchdringung von Homeplug deutlich höher zu sein. Vermutlich weil es einige Jahre früher verfügbar war und dadurch den Markt dominieren konnte.

Link: The Difference Between HomePlug And G.hn


Der übergeordnete Standard ist IEEE P1901. Die erste Fassung wurde 2010 veröffentlich, die akuellste Revision (IEEE P1901-2020) Anfang 2021. Im Power Line Communications Standards Committee (PLCSC) der IEEE wird der Standard weiterentwickelt und gepflegt. Hier ein Link zu einer Übersicht der vom IEEE veröffentlichten Standards, leider nicht frei downloadbar.

Das verwendete Modulationsverfahren ist OFDM (Orthogonal Frequency Division Multiplexing). Der Standard definiert 2 unterschiedliche Verfahren, FFT-OFDM und Wavelet-OFDM.
  • FFT-OFDM ist die relevante Modulation mit der alle für den "normalen Hausgebrauch" üblichen Adapter arbeiten.
  • Wavelet-OFDM wird bei HD-PLC (High Definition Power Line Communication) verwendet. Diese Variante wird von Panasonic gefördert und im asiatischen Raum in den Bereichen TV, AV und Überwachungskameras verwendet. Daher ist sie nicht relevant für den europäischen Markt und hier nur der Vollständigkeit halber erwähnt.

HomePlug AV2 definiert bis zu 3455 Trägerfrequenzen (carrier) im Bereich 1.80 MHz bis 86.13 MHz. Ihr Abstand beträgt 24.414 kHz. Als Modulation wird BPSK, QPSK, QAM, 16-QAM, 64-QAM, 256-QAM, 1024-QAM oder 4096-QAM verwendet, dynamisch abhängig von der Kanalqualität.


Die Abstrahlungen der üblicherweise ungeschirmten Stromleitungen können in der nahen Umgebung zu Empfangsstörungen im Kurzwellenbereich führen. Als Gegenmassnahme werden diverse Frequenzbereiche durch Kerbfilter (um ca 20dB) abgeschwächt. Diese sog. "Tone Map" ist spezifisch für jede ITU-Region.

Die Sendeleistung (Power Spectral Density, PSD) ist auf die folgenden Werte limitiert:
PSD Limit / [dBm/Hz]
Out of Band PSD: PSDOOB -87
Notched PSD: PSDN -80
PSD of FM Bands: PSDFM TBD
Allocated PSD at f ≷ 30 MHz: PSDHF -50
Allocated PSD at f > 30 MHz: PSDVHF -80


Historie, Chipsatz und Tools

Eine der frühen Firmen (Anfang der 2000er) die sich mit Powerline befassten war Intellon Cooperation. Sie produzierte die Chipsätze der INT5000 und INT6000 Serie. Intellon wurde 2009 von "Atheros Communications, Inc." übernommen.

Von Atheros stammen die Chipsätze der AR6000 und AR7000 Serien. Atheros wurde 2011 von Qualcomm übernommen. Der Firmenname wurde in "Qualcomm Atheros" geändert.

Von "Qualcomm Atheros" wurden im weiteren unter anderem die Chipsatzfamilie QCA7000 angeboten.

Zur Unterstützung von Entwicklern hat QCA die Open PLC Tools veröffentlicht. Die Tools unterstützen alle Chipsätze bis zurück zu Intellon. Teilweise finden sich noch Namenskürzel wie "int6k" für Intellon, "amp" für Atheros und "plc" für QCA.

Ein weiterer Chipsatz-Anbieter war die Firma Broadcom mit den Chipsatzfamilien BCM603xx und BCM605xx. Sie wurden u.a. bei TP-Link und Netgear eingesetzt. Broadcom wurde 2016 von AVAGO übernommen. AVAGO wurde 2018 in "Broadcom Inc." umbenannt. Die Powerline-Chipsätze scheinen aktuell nicht mehr Bestandteil ihres Produktportfolios zu sein.

Für den Homeplug AV2 Standard scheint damit Qualcomm Atheros der einzige Lieferant zu sein.


Informationen über Lieferanten für den G.hn-Standard sind deutlich schwieriger zu finden.
MaxLinear hat diverse Chipsätze im Angebot. MaxLinear hat im Jahr 2017 den G.hn-Geschäftsbereich von Marvell übernommen.

Datenraten

Die für den Anwender auf LAN-Ebene nutzbare Nettodatenrate ist immer deutlich unterhalb der Datenrate der Powerline-Modulation (wer hätte etwas anderes erwartet..?). Eine grobe Übersicht der theoretisch maximal erreichbaren Daten:

Verfahren/Standard Bruttodurchsatz
[Mbit/s]
Nettodurchsatz
[Mbit/s]
~Jahr
Homeplug 1.0 14 5 2001
Homeplug Turbo 85 34 2001
Homeplug AV 200 90 2005
Homeplug AV / IEEE 1901 500 260 2010
Homeplug AV2 / IEEE 1901 1200 350 2012

Die Brutto-Durchsatzrate ist nur was für die Werbeprospekte.

Der HomePlug-Standard definiert diverse Geräte-Klassifizierungen und Profile. Diese werden aber selbst von den beteiligten Firmen ignoriert. Passender ist die folgende, inoffizielle Einteilung:

Verfahren/Standard Werbeangabe
Bruttodurchsatz
[Mbit/s]
Chipsatz
AV 200 - INT6400 / INT1400
- QCA6410
- BCM 60321
AV500 500 - QCA AR7420 / AR1540
- AR7400 / AR1500
AV2 (SISO) 600 - QCA7450 / AR1540
AV2 (SISO) 1000 - BCM60333
AV2-MIMO 1200 - QCA7500
AV2-MIMO 2000 - BCM60500

Ein Grossteil des Datendurchsatz wird für die Redundanz und damit die Robustheit der Übertragung aufgebraucht. Die Art der Übertragung (=Modulationsart) wird dynamisch an die Höhe der Störbelastung angepasst.

Beginnend mit HomePlug AV2 wird ein sog. MIMO-Verfahren verwendet. Dabei werden 2 getrennte Sender/Empfänger benutzt und die Daten durch geschickte Berechnungen wieder zusammengeführt. Als Ergebnis erhält man ~ eine Verdoppelung der Datenrate.

Dies setzt aber einen zweiten Übertragungskanal voraus. Üblicherweise wir dafür der im Stromnetz vorhandene Schutzleiter verwendet. Ich denke man kann anhand der "Natur dieses Tricks" bereits erahnen dass die hohen Datenraten nur in optimalen Umgebungen realisierbar sind. In vielen Altbauten, z.B., ist kein separater Schutzleiter vorhanden und MIMO kann nicht funktionieren.

Da ich bei meinen Modifikationen nur einen einzelnen Übertragungskanal verwende (Koaxialkabel) ist MIMO nicht anwendbar. Entsprechend kann ich die 500 Mbit/s Brutto nicht übertreffen. Die in meinen Versuchen erreichten ~250 Mbit/s Netto sind somit ein normaler, realistischer Wert.

Devolo-Magic und DSL-Probleme

Die von VDSL2 benutzten Frequenzen (bis zu 35MHz) überlappen sich mit denen von Powerline. Sie können prinzipiell gestört werden, insbesondere wenn die Leitungen dicht nebeneinander verlegt sind.

Als Lösung hat Devolo die Funktion VDSL-Performer entwickelt. Die Powerline-Boxen nehmen über das TR-064-Protokoll Kontakt mit dem DSL-Modem auf, lesen das verwendete VDSL2-Profil aus und passen ihr Powerline-Spektrum entsprechend an.
Powerline

Eine ähnliche Möglichkeit ist bereits in der Devolo-Cockpit-Software vorhanden. Dort kann man manuell das vorliegende VDSL-Profil auswählen.

Kritik und Probleme

Funkamateure sind heftige Gegner von Powerline. Die Modulation auf der Netzleitung wird abgestrahlt und wirkt wie ein Grundrauschen für die Radiompfänger, wodurch deren Empfindlichkeit und Reichweite sinkt. Im Heim-Powerline-Bereich sind die verwendeten Pegel zum Glück relativ niedrig und die Störungen gering. Der ursprünglich geplante (weltweite) breitflächige Einsatz über die Versorgungsnetze hätte wesentlich drastischere Auswirkungen gehabt.

Praktisch alle am Stromnetz angeschlossenen Geräte haben diverse Filter eingebaut um sich selbst und andere Verbraucher gegen Spannungsstörungen zu schützen. Ebenso wirken Netzteile in bestimmten Frequenzbereichen wie ein Signalkurzschluss. Die Bedingungen für die Ausbreitung der Trägermodulation ist daher denkbar ungünstig. Hinzu kommen erhebliche Störsignale durch z.B. elektronische Dimmer oder Haushaltsgeräte. In der Praxis ist die realisierbare Datenrate daher sehr stark von den Geräten auf der gemeinsamen Netzphase abhängig.

Internetseiten zum Testen der Übertragungsraten

Eine kleine Übersicht von gängigen Speedtest-Seiten:

DSLVergleich.net
SpeedOf.Me
AVM Zack
Vodafone
Ookla
wieistmeineip.de

Multimedia over Coax Alliance (MoCA)

MoCA scheint die ideale Lösung für Ethernet-Verbindungen über Koaxialkabel zu sein. Also genau das richtige für Wohnungen und Häuser im Bestand in denen ein (nicht mehr benutztes) Fernsehkabel vorhanden ist und kein CATx oder Glasfaser verlegt werden kann. Die Adapter sind sehr preisgünstig und 2.5Gbit/s sind kein Problem. Eine Aufteilung auf mehrere Teilnehmer läuft genau wie damals bei den Fernsehern.

Die Seriennummer von AVM-Produkten entschlüsseln

Eine manchmal ganz hilfreiche Info aus der Serienummer ist das Herstellungsdatum. Es sitzt kodiert im ersten Block:

Der erste Buchstabe bezeichnet das Jahr. Die Buchstaben G, I, O, Q, Y, Z werden dabei nach DIN EN 60062 ausgelassen, um Verwechslungen zu vermeiden.
In älteren Boxen: U=2006, V=2007, W=2008, X=2009
Ab 2010 wird mit "A" fortgesetzt:
A=2010, B=2011, C=2012, D=2013, E=2014, F=2015, H=2016, J=2017, K=2018, L=2019, M=2020, N=2021, P=2022, R=2023, S=2024, T=2025

Die zwei mittleren Ziffern definieren die Kalenderwoche des Jahres.
Die letzte, ganz rechte Ziffer definiert den Wochentag. 1 = Montag

Der zweite Block von links mit drei Ziffern gibt die Hardware-Revision des Gerätes an, die letzten drei Blöcken die Produktionsnummer.

Zur bequemen Entschlüsselung des Produktionsdatums gibt es auch diverse Webseiten, z.B.:
https://frixtender.de/fritzbox-seriennummern-entschluesseln/
powerline

oder
https://www.router-faq.de/?id=fb&fb=fbdate
powerline

Links und Hinweise


AVM hat eine Downloadseite (https://download.avm.de/) auf der Firmware, Daten und Informationen zu ihren Produkten abgelegt sind. Dort ist auch das Powerline-Tool zu finden. Und noch eine weitere "Service"-Downloadseite (https://service.avm.de/downloads/) auf der Apps und älterer Krempel zu finden sind.



Auf BoxMatrix (https://boxmatrix.info/wiki/Powerline-Accessories) findet man ein umfangreiches Wiki über Powerline-Geräte von AVM. Dort sind ebenso jede Menge andere Informationen aus dem "Fritz!Box-Universum" zu finden.



Auf SmallNetBuilder findet man eine sehr umfangreiche Übersicht von vielen Powerline-Adaptern. AVM ist nicht vertreten (verkaufen nicht in US). Die Reviews enthalten teilweise auch Fotos der Innereien und Platinen:
Actiontec PWR500 and TRENDnet TPL-406E2K Powerline Adapters Reviewed
ZyXEL PLA5405 1200 Mbps



Die HomePlug AV Specification Version 2.1 February 21, 2014

Ein "White Paper" über die HomePlug AV2 Technology.



Die Idee von Ethernet-over-coax ist nicht neu. Fertige, professionelle Geräte gibt es von verschiedenen Herstellern. Auch in der c't von 2/2022 findet sich eine kleine Übersicht:
AXING (Reichelt: EOC 1-31 Ethernet über Koax / 720 Mbps).
ALLNET
DEVOLO
LUSTER

Für eine klassische Telefon-2-Draht-Verkabelung gibt es ebenfalls diverse Produkte:
MOBOTIX



Wer lieber selbst bastelt findet in diesem
Thread im www.mikrocontroller.net
viele Anregungen.

Dieser Bastler hat einen
TP-Link TL-PA4010 modifiziert.
Die Stromversorgung wurde komplett entfernt und durch ein externes 12V-Netzteil ersetzt.

Ein weiterer Bericht über das Zerlegen eines
TP Link Powerline Adapter.
Der verwendete Chipsatz ist identisch mit dem im AVM 510E.



Die von mir verwendeten F-Steckverbinder sind ein gängiger Standard für Koaxialkabel bei Satellitenempfang. Ein beispielhafter Anbieter ist Reichelt-Elektronik:
F-Einbaubuchse
F-Stecker 7mm
Die Stecker müssen passend zur Kabeldicke gewählt werden.